| Συνδεθείτε στην Υπηρεσία Νομοσκόπιο | | | | | Νέοι χρήστες | | Εάν είστε νέος χρήστης, θα πρέπει να δημιουργήσετε ένα ΔΩΡΕΑΝ λογαριασμό προκειμένου να φύγει το παράθυρο αυτό και να αποκτήσετε πλήρη πρόσβαση στην υπηρεσία Νομοσκόπιο. | | Δημιουργία νέου λογαριασμού | | |
Απόφαση 1599/2011: Οριστική έγκριση του τεύχους Προδιαγραφές Μετρητών και Μετρήσεις Μεγεθών σε απαίτηση της υπ' αριθμόν οίκοθεν Δ6/Φ1/8786/2010 υπουργικής απόφασης, Εφαρμογή του Συστήματος Εγγυήσεων Προέλευσης Ηλεκτρικής Ενέργειας από Ανανεώσιμες Πηγές Ενέργειας και Συμπαραγωγής Ηλεκτρισμού και Θερμότητας και μηχανισμού διασφάλισής του, (ΦΕΚ 179/Δ/2012), 06-02-2012.
Η Ρυθμιστική Αρχή Ενέργειας
(Συνεδρίαση 28-12-2011)
Λαμβάνοντας υπόψη:
1. Τις διατάξεις του νόμου 2773/1999 (ΦΕΚ 286/Α/1999), όπως ισχύει.
2. Τις διατάξεις του νόμου 3468/2006 Παραγωγή Ηλεκτρικής Ενέργειας από Ανανεώσιμες Πηγές Ενέργειας και Συμπαραγωγή Ηλεκτρισμού και Θερμότητας Υψηλής Απόδοσης και λοιπές διατάξεις (ΦΕΚ 129/Α/2006), και ιδίως της παραγράφου 3 του άρθρου 18, όπως ισχύουν.
3. Τις διατάξεις του νόμου 3734/2009 Προώθηση της συμπαραγωγής δύο ή περισσότερων χρήσιμων μορφών ενέργειας, ρύθμιση ζητημάτων σχετικών με το Υδροηλεκτρικό Έργο Μεσοχώρας και άλλες διατάξεις (ΦΕΚ 8/Α/2009), και ιδίως το άρθρο 8, όπως ισχύει.
4. Τις διατάξεις της Οδηγίας 2009/28/ΕΚ για την προαγωγή της χρήσης ηλεκτρικής ενέργειας που παράγεται από Ανανεώσιμες Πηγές Ενέργειας ατμοσφαιρικής ρύπανσης από βιομηχανικές εγκαταστάσεις και την τροποποίηση και κατάργηση των Οδηγιών 2001/77/ΕΟΚ και 2003/30/ΕΟΚ, και ιδίως το άρθρο 15.
5. Τις διατάξεις της Οδηγίας 2004/8/ΕΚ για την προώθηση της συμπαραγωγής ενέργειας βάσει της ζήτησης για χρήσιμη θερμότητα στην εσωτερική αγορά ενέργειας και για την τροποποίηση της Οδηγίας 1992/42/ΕΟΚ, και ιδίως το άρθρο 5.
6. Τις διατάξεις της Οδηγίας 1998/34/ΕΚ για την καθιέρωση μιας διαδικασίας πληροφόρησης στον τομέα των τεχνικών προτύπων και κανονισμών, η οποία κωδικοποίησε και κατάργησε την Οδηγία 1983/189/ΕΟΚ και τις μετέπειτα τροποποιήσεις της.
7. Τις διατάξεις της Οδηγίας 1998/48/ΕΚ για την τροποποίηση της Οδηγίας 1998/34/ΕΚ για την καθιέρωση μιας διαδικασίας πληροφόρησης στον τομέα των τεχνικών προτύπων και προδιαγραφών.
8. Τις διατάξεις του προεδρικού διατάγματος 39/2001 Καθιέρωση μιας διαδικασίας πληροφόρησης στον τομέα των τεχνικών προτύπων και των κανόνων σχετικά με τις υπηρεσίες της κοινωνίας των πληροφοριών σε συμμόρφωση προς τις Οδηγίες 1998/34/ΕΚ και 1998/48/ΕΚ.
9. Τις διατάξεις της υπ' αριθμόν οίκοθεν Δ6/Φ1/8786/2010 Υπουργικής απόφασης Εφαρμογή του Συστήματος Εγγυήσεων Προέλευσης Ηλεκτρικής Ενέργειας από Ανανεώσιμες Πηγές Ενέργειας και Συμπαραγωγής Ηλεκτρισμού και Θερμότητας και Μηχανισμού Διασφάλισης του.
10. Την απόφαση της ΡΑΕ 545/2011 Προδιαγραφές Μετρητών και Μετρήσεις Μεγεθών σε απαίτηση της οίκοθεν υπουργικής απόφασης Δ6/Φ1/8786/2010, Εφαρμογή του Συστήματος Εγγυήσεων Προέλευσης Ηλεκτρικής Ενέργειας από Ανανεώσιμες Πηγές Ενέργειας και Συμπαραγωγής Ηλεκτρισμού και Θερμότητας και μηχανισμού διασφάλισής του.
11. Τη δημοσίευση στις 24-05-2011 στον ιστότοπο της Ευρωπαϊκής Επιτροπής του με αριθμό σχεδίου τεχνικού κανονισμού 2011/0248/GR τεύχους προδιαγραφών που εγκρίθηκε με την απόφαση ΡΑΕ 545/2011.
12. Το υπ' αριθμόν πρωτοκόλλου ΡΑΕ Ι-144414/28-09-2011 έγγραφο του Ελληνικού Οργανισμού Τυποποίησης, με το οποίο κοινοποιήθηκαν στη Ρυθμιστική Αρχή Ενέργειας οι παρατηρήσεις που υποβλήθηκαν στο πλαίσιο της ανωτέρω δημόσιας διαβούλευσης.
13. Την υπ' αριθμόν ΡΑΕ Ι-147709/07-12-2011 ηλεκτρονική επιστολή του Ελληνικού Οργανισμού Τυποποίησης.
14. Την υπ' αριθμόν ΕΣ/7878/19-12-2011 εισήγηση της Μονάδας Προστασίας Καταναλωτών και Περιβάλλοντος.
Σκέφτηκε ως εξής:
Επειδή, σε εφαρμογή των διατάξεων της Οδηγίας 1998/34/ΕΚ, του προεδρικού διατάγματος 39/2001 και της απόφασης της ΡΑΕ 545/2011, η Ρυθμιστική Αρχή Ενέργειας κοινοποίησε το τεύχος Προδιαγραφές Μετρητών και Μετρήσεων Μεγεθών στην Ευρωπαϊκή Επιτροπή.
Επειδή, το ανωτέρω τεύχος προδιαγραφών τέθηκε σε δημόσια διαβούλευση στις 24-05-2011 στον ιστότοπο της Ευρωπαϊκής Επιτροπής (με αριθμό σχεδίου τεχνικού κανονισμού 2011/0248/GR), στο πλαίσιο της οποίας υποβλήθηκαν παρατηρήσεις.
Επειδή, η Ρυθμιστική Αρχή Ενέργειας έλαβε υπόψη τις υποβληθείσες παρατηρήσεις και τροποποίησε κατάλληλα το τεύχος Προδιαγραφές Μετρητών και Μετρήσεων Μεγεθών, το οποίο κοινοποίησε στον Ελληνικό Οργανισμό Τυποποίησης μαζί με σχετική απαντητική επιστολή.
Επειδή, όπως προκύπτει από την υπ' αριθμόν ΡΑΕ Ι-147709/07-12-2011 ηλεκτρονική επιστολή του Ελληνικού Οργανισμού Τυποποίησης, με την αποστολή της απάντησης των ελληνικών αρχών στα σχόλια που διατυπώθηκαν κατά τη δημόσια διαβούλευση έχουν ολοκληρωθεί οι διαδικασίες στο πλαίσιο της Οδηγίας 1998/34/ΕΕ, και συνεπώς μπορεί η Ρυθμιστική Αρχή Ενέργειας να προχωρήσει στη δημοσίευση του τεύχους Προδιαγραφών στην Εφημερίδα της Κυβερνήσεως, αποφασίζει:
1. Την αποδοχή της ως άνω υπ' αριθμόν ΕΣ/7878/19-12-2011 Εισήγησης της Μονάδας Προστασίας Καταναλωτών και Περιβάλλοντος.
2. Την έγκριση του συνημμένου στην παρούσα τεύχους Προδιαγραφές Μετρητών και Μετρήσεις Μεγεθών σε απαίτηση της οίκοθεν υπουργικής απόφασης Δ6/Φ1/8786/2010, Εφαρμογή του Συστήματος Εγγυήσεων Προέλευσης Ηλεκτρικής Ενέργειας από Ανανεώσιμες Πηγές Ενέργειας και Συμπαραγωγής Ηλεκτρισμού και Θερμότητας και μηχανισμού διασφάλισής του, που αποτελεί αναπόσπαστο μέρος αυτής.
Προδιαγραφές Μετρητών και Μετρήσεις Μεγεθών σε απαίτηση της υπουργικής απόφασης οίκοθεν Δ6/Φ1/8786/2010 Εφαρμογή του Συστήματος Εγγυήσεων Προέλευσης Ηλεκτρικής Ενέργειας από Ανανεώσιμες Πηγές Ενέργειας και Συμπαραγωγής Ηλεκτρισμού και Θερμότητας και μηχανισμού διασφάλισής του.
Στο παρόν εγχειρίδιο παρατίθενται τα πρότυπα που πρέπει να ακολουθούν οι μετρητές που εγκαθίστανται με ευθύνη του Παραγωγού σε εγκαταστάσεις Ανανεώσιμες Πηγές Ενέργειας και Συμπαραγωγής Ηλεκτρισμού και Θερμότητας, καθώς και τα πρότυπα βάσει των οποίων πρέπει να γίνονται οι μετρήσεις, προκειμένου να επιτρέπεται οι εγκαταστάσεις αυτές να συμμετέχουν στο Σύστημα Εγγυήσεων Προέλευσης.
1. Ακολουθούμενα πρότυπα
Όλες οι διαδικασίες μέτρησης μεγεθών λαμβάνουν υπόψη τα αναφερόμενα στο παρόν εγχειρίδιο πρότυπα, ενώ η βαθμονόμηση οργάνων πρέπει να γίνεται σύμφωνα με την προβλεπόμενη από τον κατασκευαστή διαδικασία, η οποία περιορίζει τα συστηματικά σφάλματα δειγματοληψίας και μέτρησης και της οποίας η αβεβαιότητα μέτρησης είναι γνωστή. Για τις ανωτέρω διαδικασίες πρέπει να χρησιμοποιούνται πρότυπα CEN (πρότυπα που εκδίδονται από την Ευρωπαϊκή Επιτροπή Τυποποίησης), ενώ στην περίπτωση που αυτά δεν είναι διαθέσιμα, εφαρμόζονται κατάλληλα πρότυπα ISO (πρότυπα που εκδίδονται από τον Διεθνή Οργανισμό Τυποποίησης) ή εθνικά πρότυπα.
Σε κάθε περίπτωση η πιστότητα των οργάνων μέτρησης με τις απαιτήσεις αυτές βεβαιώνεται κατά τα προβλεπόμενα στις Οδηγίες 1989/336/ΕΟΚ, 1976/891/ΕΟΚ και 2004/22/ΕΚ, καθώς και στην Υπουργική Απόφαση με αριθμό [Α] Φ2/1393/2007 (ΦΕΚ 521/Β/2007) Όργανα μέτρησης, η οποία αφορά στη συμμόρφωση της ελληνικής νομοθεσίας με τις διατάξεις της Οδηγίας 2004/22/ΕΚ.
Ειδικότερα, τα πρότυπα που καθορίζονται για τα επιμέρους αναφερόμενα προϊόντα στο παρόν δεν απαιτούνται για προϊόντα προερχόμενα από την Ευρωπαϊκή Κοινότητα, από χώρες της ΕΖΕΣ που αποτελούν συμβαλλόμενα μέρη στη συμφωνία για τον Ευρωπαϊκό Οικονομικό Χώρο και από την Τουρκία, εφόσον αυτά πληρούν ισοδύναμα πρότυπα ασφάλειας, εγγυώνται το ίδιο επίπεδο προστασίας με τα απαιτούμενα στο παρόν και ανταποκρίνονται σε πρότυπο που τηρείται κατά το νόμο στο συγκεκριμένο συμβαλλόμενο μέρος ή διεθνές πρότυπο του οποίου η εφαρμογή επιτρέπεται σε ένα από τα κράτη αυτά, όπως βεβαιώνεται από πιστοποιητικά δοκιμών ελέγχου που πραγματοποιήθηκαν στα κράτη αυτά ή πραγματοποιούνται σύμφωνα με μεθόδους δοκιμών που χρησιμοποιούνται στα κράτη αυτά.
Ο έλεγχος των μετρητικών διατάξεων ηλεκτρικής ενέργειας υπόκειται στις διατάξεις του ΚΔΣ & ΣΗΕ.
1.1. Ηλεκτρική ενέργεια
1.1.1. Χαμηλή Τάση
υπουργική απόφαση αριθμός [Α] Φ2/1393/2007 (ΦΕΚ 521/Β/2007)
|
Παράρτημα ΜΙ-003: Μετρητές ηλεκτρικής ενέργειας
|
EN/IEC 62052/11
|
Εξοπλισμός μέτρησης ηλεκτρικών μεγεθών (A.C.) - Γενικές απαιτήσεις, δοκιμές και συνθήκες δοκιμών - Μέρος 11: Εξοπλισμός μέτρησης
|
EN/IEC 62058/11-31
|
Εξοπλισμός μέτρησης ηλεκτρικών μεγεθών (Α.C.) - Επιθεώρηση αποδοχής Μέρος 11: Γενικές μέθοδοι επιθεώρησης αποδοχής Μέρος 31: Ειδικές απαιτήσεις για στατικούς μετρητές για ενεργό ενέργεια (κλάσεις 0,2 S, 0,5 S, 1 και 2, και δείκτες κλάσης Α, Β και C)
|
EN/IEC 50470/1-3
|
Εξοπλισμός μέτρησης ηλεκτρικών μεγεθών (A.C.) - Μέρος 1: Γενικές απαιτήσεις, δοκιμές και συνθήκες δοκιμών - Εξοπλισμός μέτρησης (δείκτες κλάσης Α, Β και C)
Μέρος 1: Ειδικές απαιτήσεις - Στατικοί μετρητές για ενεργό ενέργεια (δείκτες κλάσης Α, Β και Γ)
|
EN/IEC 60529
|
Βαθμοί προστασίας παρεχόμενοι από περιβλήματα
|
EN/IEC 1334-4-41
|
Αυτοματοποίηση διανομής με χρήση συστημάτων φέρουσας γραμμής - Μέρος 4: Πρωτόκολλα επικοινωνίας δεδομένων - Τμήμα 41: Εφαρμογή πρωτοκόλλων - προδιαγραφή μηνύματος γραμμής διανομής
|
EN/IEC 62056/21-5361-62-72
|
Μέτρηση ηλεκτρικών μεγεθών - Ανταλλαγή δεδομένων για ανάγνωση
μετρητή και έλεγχο χρέωσης και φορτίου
Μέρος 21: Απευθείας τοπική ανταλλαγή δεδομένων
Μέρος 53: Επίπεδο εφαρμογής COSEM
Μέρος 61: Κώδικας OBIS (Σύστημα Αναγνώρισης Αντικειμένου (OBIS))
Μέρος 62: Κατηγορίες διεπαφής Μέρος 72: Επίπεδο διασύνδεσης δεδομένων
|
EN/IEC 60410
|
Σχέδια και διαδικασίες δειγματοληψίας για επισκόπηση ιδιοτήτων
|
EN/IEC 60068/2-6/2-30
|
Διαδικασίες βασικών περιβαλλοντικών δοκιμών
Μέρος 2-6: Δοκιμές Fc: Ταλαντώσεις
Μέρος 2-30: Δοκιμή Db και καθοδήγηση: Υγρή κυκλική θέρμανση (12 + 12ωρος κύκλος)
|
EN/IEC 60695-2-11, 12, 13/2001
|
Fire hazard testing part 2: test methods. Glow wire test and guidance
|
EN/IEC 60695-115/2005
|
Fire hazard testing part 2: Test methods. Needle flame test
|
EN/IEC 60044-1
|
Μετασχηματιστές για όργανα μετρήσεως Μέρος 1:Μετασχηματιστές Έντασης
|
1.1.2 Μέση και Υψηλή Τάση
ΕΝ 62053-21
|
Στατικοί μετρητές για ενεργό ισχύ (κλάση 1 & 2)
|
ΕΝ 62053-22
|
Στατικοί μετρητές για ενεργό ισχύ (κλάση 0,2S & 0,5S)
|
ΕΝ 62053-23
|
Στατικοί μετρητές για άεργο ισχύ (κλάση 2 & 3)
|
ΕΝ 60044-1
|
Μετασχηματιστές Έντασης- Προσάρτημα 1 και 2
|
ΕΝ 60044-2
|
Μετασχηματιστές Τάσης- Προσάρτημα 1 και 2
|
ΕΝ 60044-3
|
Μετασχηματιστές οργάνων - Συνδυασμένοι Μετασχηματιστές
|
1.2 Αέρια καύσιμα
ΕΝ 12405:2005
|
Μετρητές αερίου - Διατάξεις αναγωγής - Μέρος 1: Αναγωγή όγκου
|
ΕΝ 12480:2002
|
Μετρητές αερίου - Ογκομετρικοί μετρητές περιστροφικής κίνησης
|
ΕΝ 12261:2002
|
Μετρητές αερίου - Μετρητές στροβίλου
|
ΕΝ 14236:2007
|
Οικιακοί μετρητές αερίου με υπερήχους
|
ISO 9951:1993/94
|
Μέτρηση της παροχής αερίου σε κλειστούς αγωγούς - Στροβιλομετρητές
|
ΕΝ 1359: 1998
|
Μετρητές αερίου - Μετρητές αερίου με διάφραγμα
|
ISO 9300:1990
|
Μέτρηση της παροχής αερίου με τη βοήθεια στομίων κρίσιμης ροής Βεντούρι
|
ΕΝ 60044-3
|
Μετασχηματιστές οργάνων - Συνδυασμένοι Μετασχηματιστές
|
υπουργική απόφαση υπ' αριθμόν Φ2/1393/2007 (ΦΕΚ 521/Β/2007)
|
Παράρτημα ΜΙ-002: Μετρητές αερίου και διατάξεις αναγωγής όγκου
|
DIN 51612:1980
|
Δοκιμή υγραερίων υπολογισμός της κατώτερης θερμογόνου ικανότητας
|
ΕΝ ISO 6976:2005
|
Φυσικό αέριο - Υπολογισμός της θερμογόνου τιμής, πυκνότητας, σχετικής πυκνότητας και δείκτη Wobbe από τη σύσταση
|
DIN 51857:1997
|
Αέρια καύσιμα και άλλα αέρια - Υπολογισμός της θερμογόνου ικανότητας, της πυκνότητας, της σχετικής πυκνότητας και του δείκτη Wobbe καθαρών αερίων και αερίων μειγμάτων
|
1.3 Υγρά καύσιμα
υπουργική απόφαση υπ' αριθμόν Φ2/1393/2007 (ΦΕΚ 521/Β/2007)
|
Παράρτημα ΜΙ-005: Συστήματα μέτρησης για συνεχή και δυναμική μέτρηση ποσοτήτων υγρών εκτός από το νερό
|
1.4 Στερεά καύσιμα
ISO 13909
|
Μέρη 1-8- δειγματοληψία άνθρακα
|
ISO 5069-1,2:1983
|
Λιγνίτες - Αρχές δειγματοληψίας
|
ISO 625:1996
|
Στερεά ορυκτά καύσιμα - Προσδιορισμός άνθρακα και υδρογόνου - Μέθοδος Liebig
|
ISO 925:1997
|
Στερεά ορυκτά καύσιμα - Προσδιορισμός της περιεκτικότητας σε άνθρακα σε μορφή ανθρακικών αλάτων - Σταθμική μέθοδος
|
DIN 51721:2001
|
Δοκιμή στερεών καυσίμων - Προσδιορισμός της περιεκτικότητας σε άνθρακα και υδρογόνο (εφαρμόζεται και σε υγρά καύσιμα)
|
DIN 51900-1:2000
|
Δοκιμή στερεών και υγρών καυσίμων - Προσδιορισμός της ανώτερης θερμογόνου ικανότητας με αδιαβατικό θερμιδόμετρο καύσης (bomb calorimeter) και υπολογισμός της κατώτερης θερμογόνου ικανότητας - Μέρος 1: Αρχές, συσκευές, μέθοδοι
|
υπουργική απόφαση υπ' αριθμόν Φ2/1393/2007 (ΦΕΚ 521/Β/2007)
|
Παράρτημα ΜΙ-006: Αυτόματα όργανα ζύγισης
|
1.5 Λοιπά μετρητικά όργανα
ΕΝ 837-1:1998
|
Μανόμετρα - Μέρος 1: Μανόμετρα σωλήνα Bourdon- Διαστάσεις, απαιτήσεις και δοκιμές
|
ΕΝ 837-2:1998
|
Μανόμετρα - Μέρος 2: Μανόμετρα διαφράγματος και τύπου κάψας. Διαστάσεις απαιτήσεις και δοκιμές
|
ΕΝ 1434-1:2007
|
Μετρητές θερμότητας - Μέρος 1: Γενικές απαιτήσεις
|
ΕΝ 60584-1:1996 /IEC 60584-1:1195
|
Θερμοζεύγη - Μέρος 1 : Πίνακες τιμών αναφοράς
|
ΕΝ 60584-2:1993
|
Θερμοζεύγη - Μέρος 2: Αντοχή
|
ΕΝ 60751:1996/1EC 60751:1983
|
Βιομηχανικά θερμόμετρα αντίστασης λευκόχρυσου και αισθητήρες θερμοκρασίας λευκόχρυσου
|
ISO 12039:2001
|
Εκπομπές από σταθερές πηγές - Προσδιορισμός μονοξειδίου του άνθρακα, διοξειδίου του άνθρακα και οξυγόνου - Χαρακτηριστικά επιδόσεων και βαθμονόμηση αυτοματοποιημένης μεθόδου μετρήσεων
|
ISO 10780:1994
|
Εκπομπές από σταθερές πηγές - Δειγματοληψία και προσδιορισμός των ταχυτήτων και παροχών των απαερίων
|
ISO 3966:1977
|
Μέτρηση της ροής ρευστού στους κλειστούς αγωγούς - Μέτρηση της ταχύτητας ροής με την χρήση Pitot
|
ISO 5167-4:2003
|
Μέτρηση της ροής ρευστού με συσκευές μέτρησης της διαφορικής πίεσης - Σωλήνες Venturi
|
υπουργική απόφαση υπ' αριθμόν Φ2/1393/2007 (ΦΕΚ 521/Β/2007)
|
Παράρτημα ΜΙ-005: Συστήματα μέτρησης για συνεχή και δυναμική μέτρηση ποσοτήτων υγρών εκτός από το νερό
|
1.6 Ενεργειακά ισοζύγια
IAPWS-IF97
|
IAPWS Industrial Formulation 1997 for the Thermodynamic Properties of Water and Steam
|
ISO 2314:1989
|
Gas Turbines - Acceptance tests
|
2. Μετρήσεις - Προδιαγραφές Μετρητών
Στην ενότητα αυτήν παρατίθενται οι ελάχιστες απαιτήσεις τεχνικών προδιαγραφών που πρέπει να πληρούν οι μετρητές που εγκαθίστανται με ευθύνη του Παραγωγού καθώς και οι διαδικασίες μέτρησης μεγεθών.
Μετρητές που τυχόν έχουν εγκατασταθεί πριν τη θέση σε ισχύ του παρόντος Εγχειριδίου, και πληρούν τις προδιαγραφές ακρίβειας που τίθενται στην παρούσα ενότητα, αλλά δε διαθέτουν δυνατότητα απευθείας επικοινωνίας με το ηλεκτρονικό σύστημα αυτόματης συλλογής και μεταβίβασης των μετρήσεων του αρμόδιου ΦΕ, γίνονται αποδεκτοί μέχρι την αντικατάστασή τους, εφόσον συνδεθούν με συγκεντρωτές, οι οποίοι διαθέτουν τις προδιαγραφές που τίθενται στην ενότητα 3.
2.1. Ηλεκτρική ενέργεια
2.1.1. Χαμηλή Τάση
Για τη μέτρηση της ηλεκτρικής ενέργειας που παράγεται από εγκαταστάσεις Ανανεώσιμων Πηγών Ενέργειας ή Συμπαραγωγής Ηλεκτρισμού και Θερμότητας, οι οποίες συνδέονται στο δίκτυο Χαμηλής Τάσης, απαιτείται η τοποθέτηση μετρητών που πληρούν τουλάχιστον τις παρακάτω προδιαγραφές ανάλογα με την ισχύ της εγκατάστασης:
Εγκατάσταση ισχύος έως 5 KVA
Απαιτείται η τοποθέτηση ηλεκτρονικού 1/φ μετρητή χωρίς επικοινωνιακό μέσο, αλλά με δυνατότητα τηλεμέτρησης και δυνατότητα καταγραφής στοιχείων ενεργού ενέργειας ανά δεκαπεντάλεπτο. Ο μετρητής πρέπει να διαθέτει τουλάχιστον μία θύρα επικοινωνίας RS-485 για σύνδεση εξωτερικού τηλεπικοινωνιακού μέσου.
Εφαρμοζόμενα πρότυπα:
| • | EN/IEC 62053/21-22-23 (όπως εξειδικεύεται με την υπουργική απόφαση 1393/2007 (ΦΕΚ 521/Β/2007), σε συμμόρφωση με την Οδηγία 2004/22/ΕΚ, κλάση Β) |
| • | EN/IEC 50470/1-3 (όπως εξειδικεύεται με την υπουργική απόφαση 1393/2007 (ΦΕΚ 521/Β/2007), σε συμμόρφωση με την Οδηγία 2004/22/ΕΚ, κλάση Β) |
| • | EN/IEC 62056/21-53-61-62-72 |
| • | EN/IEC 60695-2-11, 12, 13/2001 |
Μετρούμενα μεγέθη: Εξερχόμενη ενεργός ενέργεια.
Εγκατάσταση ισχύος πάνω από 5 KVA
Απαιτείται η εγκατάσταση ηλεκτρονικού 3/φ μετρητή χωρίς επικοινωνιακό μέσο, αλλά με δυνατότητα τηλεμέτρησης και δυνατότητα καταγραφής στοιχείων ενεργού ενέργειας ανά δεκαπεντάλεπτο. Ο μετρητής πρέπει να διαθέτει τουλάχιστον μία θύρα επικοινωνίας RS-485 για σύνδεση εξωτερικού τηλεπικοινωνιακού μέσου.
Εφαρμοζόμενα πρότυπα:
| • | EN/IEC 62053/21-22-23 (όπως εξειδικεύεται με την υπουργική απόφαση 1393/2007 (ΦΕΚ 521/Β/2007), σε συμμόρφωση με την Οδηγία 2004/22/ΕΚ, κλάση Β) |
| • | EN/IEC 50470/1-3 (όπως εξειδικεύεται με την υπουργική απόφαση 1393/2007 (ΦΕΚ 521/Β/2007), σε συμμόρφωση με την Οδηγία 2004/22/ΕΚ, κλάση Β) |
| • | EN/IEC 62056/21-53-61-62-72 |
| • | EN/IEC 60695-2-11, 12, 13/2001 |
| • | EN/IEC 60044-1, Μετασχηματιστές Έντασης- Προσάρτημα 1 και 2 (σε περίπτωση σύνδεσης στο δίκτυο μέσω Μ/Σ εντάσεως) |
Μετρούμενα μεγέθη: Εξερχόμενη ενεργός ενέργεια.
Κλάση ακρίβειας Μ/Σ εντάσεως: 0.5 s.
2.1.2. Μέση και Υψηλή Τάση
Οι προδιαγραφές του μετρητικού εξοπλισμού για τη μέτρηση και την καταγραφή της ηλεκτρικής ενέργειας που παράγεται από εγκαταστάσεις Ανανεώσιμων Πηγών Ενέργειας ή Συμπαραγωγής Ηλεκτρισμού και Θερμότητας, οι οποίες συνδέονται στο Σύστημα Υψηλής Τάσης ή στο Δίκτυο Μέσης Τάσης, είναι αυτές που προσδιορίζονται στον Κώδικα Διαχείρισης Συστήματος και Συναλλαγών Ηλεκτρικής Ενέργειας (ΚΔΣ&ΣΗΕ), τα σημαντικότερα σημεία των οποίων περιγράφονται στη συνέχεια.
Εφαρμοζόμενα πρότυπα:
| • | EN/IEC 62053-21, Στατικοί μετρητές για ενεργό ισχύ (κλάση 1 & 2) |
| • | EN/IEC 62053-22, Στατικοί μετρητές για ενεργό ισχύ (κλάση 0,2S & 0,5S) |
| • | EN/IEC 62053-23, Στατικοί μετρητές για άεργο ισχύ (κλάση 2 & 3) |
| • | EN/IEC 60044-1, Μετασχηματιστές Έντασης- Προσάρτημα 1 και 2 |
| • | EN/IEC 60044-2, Μετασχηματιστές Τάσης- Προσάρτημα 1 και 2 |
| • | EN/IEC 60044-3, Μετασχηματιστές οργάνων - Συνδυασμένοι Μετασχηματιστές |
Μετρούμενα μεγέθη: Εξερχόμενη ενεργός ενέργεια.
Κλάση ακρίβειας μετρητικού εξοπλισμού:
Τύπος εξοπλισμού
|
Ισχύς σύνδεσης
|
> 50 MVA
|
10 - 50 MVA
|
1 - 10 MVA
|
< 1 MVA
|
Μετασχηματιστής έντασης
|
0,2S
|
0,2S
|
0,5S
|
0,5S
|
Μετασχηματιστής τάσης
|
0,2
|
0,5
|
0,5
|
0,5
|
Μετρητές
|
0,2S
|
0,5S
|
1
|
2
|
Πίνακας 1: Κλάση ακρίβειας μετρητικού εξοπλισμού, ανάλογα με την ικανότητα μεταφοράς της σύνδεσης (σε MVA).
Όλοι οι μετρητές ηλεκτρικής ενέργειας πρέπει να διαθέτουν χρονομετρητή με μηχανισμό Quartz ακρίβειας < 5 ppm.
2.2. Μετρήσεις καταναλώσεων καυσίμων
2.2.1. Αέρια καύσιμα
Οι καταναλώσεις αερίων καυσίμων καταγράφονται είτε από τους μετρητές της εταιρείας παροχής στην περίπτωση αποκλειστικής χρήσης Φυσικού Αερίου στη μονάδα Συμπαραγωγής Ηλεκτρισμού και Θερμότητας, είτε από μετρητές που έχει εγκαταστήσει ο Παραγωγός στην είσοδο της μονάδας Συμπαραγωγής Ηλεκτρισμού και Θερμότητας ιδιαίτερα όταν γίνεται χρήση άλλων αερίων καυσίμων ή η παροχή ΦΑ τροφοδοτεί και άλλες καταναλώσεις στο εσωτερικό της εγκατάστασης / κτηρίου. Η αβεβαιότητα των μετρήσεων για τους μετρητές που εγκαθίστανται από τον Παραγωγό δεν πρέπει να υπερβαίνει συγκεκριμένα όρια ανάλογα με την τεχνολογία του μετρητή, όπως παρουσιάζονται αναλυτικά στον παρακάτω πίνακα:
Μετρητής
|
Ακρίβεια
|
Παρατηρήσεις
|
Διαφράγματος
|
±2%
|
μεταξύ 20% και 100% της μέγιστης ροής σχεδιασμού.
|
Υπόλοιποι μετρητές (π.χ. Venturi, ροόμετρο πλωτήρα, υπερήχων)
|
±1%
|
μεταξύ 20% και 100% της μέγιστης ροής σχεδιασμού
|
±2%
|
μεταξύ της ελάχιστης ροής σχεδιασμού και λιγότερο από 20% της μέγιστης ροής σχεδιασμού.
|
2.2.2 Υγρά καύσιμα
Η κατανάλωση υγρών καυσίμων μετράται και καταγράφεται με μετρητή όγκου, τοποθετημένο στη γραμμή τροφοδοσίας της μηχανής ή του λέβητα, σύμφωνα με την υπουργική απόφαση Φ2-1393/2007 (ΦΕΚ 521/Β/2007), Παράρτημα ΜΙ-005, Συστήματα μέτρησης για συνεχή και δυναμική μέτρηση ποσοτήτων υγρών εκτός από το νερό.
Εναλλακτικά, και μόνο στην περίπτωση που το καύσιμο είναι μαζούτ, η κατανάλωση μπορεί να μετριέται και καταγράφεται με συνεχή μέτρηση της στάθμης κάθε δεξαμενής καυσίμου έτσι όπως ορίζεται στα πρότυπα:
| • | ISO 4269 Petroleum and liquid petroleum products - Tank calibration by liquid measurement - Incremental method using volumetric meters (published 2001-03-15). |
| • | ISO 4512 Petroleum and liquid petroleum products - Equipment for measurement of liquid levels in storage tanks - Manual methods (published 2000-12-12). |
| • | ISO 7507-5 Petroleum and liquid petroleum products - Calibration of vertical cylindrical tanks - Part 5 : External electro-optical distance-ranging method (published 2000-07-15). |
| • | ISO 12917-1 Petroleum and liquid petroleum products - Calibration of horizontal cylindrical tanks - Part 1: Manual methods (published 2002-07-01, corrected and reprinted 2002-09-15). |
| • | ISO 12917-2 Petroleum and liquid petroleum products - Calibration of horizontal cylindrical tanks - Part 2: Internal electro-optical distance ranging method (published 2002-09-15) |
σε συνδυασμό με τα παραστατικά αγοράς καυσίμου.
Σε όλα τα παραστατικά παραλαβής υγρών καυσίμων, θα πρέπει να αναγράφεται η Κατώτερη Θερμογόνος Δύναμη των εν λόγω καυσίμων και το ειδικό βάρος σε θερμοκρασία αναφοράς.
2.2.3. Στερεά καύσιμα
Οι ποσότητες άνθρακα μετρούνται, με ιμάντες ζυγίσεως ή άλλες βαρυμετρικές μεθόδους (υπουργική απόφαση Φ2-1393/2007 (ΦΕΚ 521/Β/2007), Παράρτημα ΜΙ-006: Αυτόματα όργανα ζύγισης).
2.3. Μετρήσεις Θερμότητας / Ψύξης
Τα μετρητικά όργανα που χρησιμοποιούνται για τον προσδιορισμό και την καταγραφή της χρήσιμης θερμότητας ακολουθούν τις παρακάτω προδιαγραφές ανάλογα με το μέσο μεταφοράς της χρήσιμης θερμότητας.
Σε κάθε μια από τις ακόλουθες εξεταζόμενες περιπτώσεις, οι μετρήσεις και υπολογισμοί της παραγόμενης ενέργειας πρέπει να ελέγχονται για την ύπαρξη συστηματικών σφαλμάτων στις καταγεγραμμένες τιμές. Οι υπολογισμοί της αβεβαιότητας και οι έλεγχοι για συστηματικά σφάλματα πρέπει να είναι πλήρως τεκμηριωμένοι.
2.3.1. Θερμό νερό
Στις εγκαταστάσεις που παρέχουν θερμότητα μέσω κυκλοφορίας θερμού νερού ή άλλων μέσων μετάδοσης θερμότητας σε υγρή μορφή, η μέτρηση της θερμότητας πρέπει να γίνεται με αυτόνομους, εμπορικά διαθέσιμους μετρητές θερμότητας (θερμιδόμετρα) μετρολογικής κλάσης 3, οι προδιαγραφές των οποίων ορίζονται στην υπουργική απόφαση Φ2-1393/2007 (ΦΕΚ 521/Β/2007) Παράρτημα ΜΙ-004 και στο πρότυπο ΕΝ 1434-1 2007.
2.3.2 Ατμός
2.3.2.1 Μετρητές Παροχής
Οι μετρητές διαφράγματος (orifice plates), τα ακροφύσια (nozzles) και οι σωλήνες Βεντούρι (Venturi 's tube) θα πρέπει να σχεδιάζονται και να εγκαθίστανται σύμφωνα με το Πρότυπο ΕΛΟΤ ΕΝ ISO 5167 Μέρη 1-4:2003, και ο υπολογισμός της ροής μάζας πρέπει να βασίζεται σε πραγματικές και όχι ονομαστικές διαστάσεις.
Για τη μέτρηση της ροής μάζας και του ενεργειακού περιεχομένου του ατμού, απαιτούνται μετρήσεις συνολικής αβεβαιότητας ±2% της πλήρους κλίμακας ή ±3% των πραγματικών ενδείξεων. Όπου χρειάζεται, πρέπει να γίνει διόρθωση θεωρώντας την πίεση και τη θερμοκρασία του ατμού (μόνο για τον υπέρθερμο ατμό).
2.3.2.2. Μετρητές θερμοκρασίας και πίεσης
Για τον προσδιορισμό της πίεσης του ατμού γίνεται χρήση μανομέτρων και η βαθμονόμησή τους θα πρέπει να γίνεται σύμφωνα με τα πρότυπα:
| • | ΕΝ 837-1:1998 (Pressure gauges - Bourdon tube pressure gauges - Dimensions, methodology, requirements and testing). Μανόμετρα σωλήνα Bourdon - διαστάσεις, μετρολογία, απαιτήσεις και δοκιμές. |
| • | ΕΝ 837-2:1998 (Pressure gauges - Diaphragm and capsule pressure gauges - Dimensions, methodology, requirements and testing) Μανόμετρα διαφράγματος τύπου κάψας - διαστάσεις, μετρολογία, απαιτήσεις και δοκιμές. |
Η μέτρηση της θερμοκρασίας γίνεται με αισθητήρες θερμοκρασίας, οι οποίοι βαθμονομούνται σύμφωνα με το Πρότυπο ΕΝ 60584-1:1996 (Thermocouples, Reference table - Θερμοστοιχεία, Πίνακες αναφοράς).
Η αβεβαιότητα που συνδέεται με την εν λόγω μέτρηση πρέπει να ακολουθεί την ακόλουθη προδιαγραφή:
Μέτρηση θερμότητας ατμού (kWh)
|
±2% της πλήρους κλίμακας ή ±3% της ένδειξης
|
2.3.3 Καυσαέρια
Σε περιπτώσεις όπου η θερμότητα των καυσαερίων από το στρόβιλο ή τη μηχανή εσωτερικής καύσης χρησιμοποιείται για την παραγωγή ωφέλιμης θερμότητας, θα πρέπει να υποβάλλονται πληροφορίες σχετικά με την προτεινόμενη μέθοδο υπολογισμού της θερμότητας. Για τον προσδιορισμό της χρήσιμης (ωφέλιμης) θερμότητας απαιτείται η μέτρηση:
| • | της θερμοκρασίας των καυσαερίων στο σημείο εξόδου τους από τον αεριοστρόβιλο ή τη μηχανή καύσης και στο σημείο εξόδου από την εγκατάσταση. |
| • | της ταχύτητας, της σύστασης (ελάχιστες απαιτήσεις οι μετρήσεις της υγρασίας και του οξυγόνου) και της θερμοκρασίας των καυσαερίων, σύμφωνα με τις προδιαγραφές που ορίζονται στο πρότυπο ISO 12039:2001. |
| • | της υγρασίας των καυσαερίων βαρομετρικά. |
Η ταχύτητα ροής των καυσαερίων μπορεί να προσδιοριστεί από διατάξεις μέτρησης δυναμικής πίεσης. Η διαδικασία μετρήσεων και βαθμονόμησης των οργάνων προδιαγράφεται στα πρότυπα ISO 10780:1994 και ISO 3966:1977, αντίστοιχα. Οι απαιτήσεις του μήκους και της διαμέτρου των αγωγών προδιαγράφονται στα πρότυπα ISO 10780 και ISO 3966.
Στην περίπτωση που ολόκληρη η ποσότητα των καυσαερίων χρησιμοποιείται για απευθείας θέρμανση ή σε διεργασία, η ωφέλιμη θερμότητα προσδιορίζεται από το ενεργειακό ισοζύγιο. Η ωφέλιμη θερμότητα των καυσαερίων υπολογίζεται είτε:
| • | από το ενεργειακό ισοζύγιο του αεριοστροβίλου (βλέπε παράγραφο 8.5 ISO 2314:1989) ή της μηχανής εσωτερικής καύσης και από τη θερμοκρασία των εξερχόμενων αερίων από τη διεργασία ή τη θερμοκρασία του θερμαινόμενου χώρου. |
| • | με τον υπολογισμό του ενεργειακού ισοζυγίου γύρω από την διεργασία. |
2.4. Υπολογισμός θερμογόνου δύναμης καυσίμων
Η θερμογόνος ικανότητα στην περίπτωση των υγρών και αερίων συμβατικών καυσίμων που δηλώνεται από τον προμηθευτή του καυσίμου είναι αποδεκτή ως η πραγματική θερμογόνος ικανότητα των εν λόγω καυσίμων.
Στην περίπτωση των στερεών καυσίμων, ο Παραγωγός πρέπει να διασφαλίσει, ότι ο προμηθευτής καυσίμου διαθέτει κατάλληλο σύστημα δειγματοληψίας και ανάλυσης της θερμογόνου ικανότητας των παραδιδόμενων ποσοτήτων άνθρακα, σύμφωνα με το πρότυπο ISO 13909: Μέρη 1-8- δειγματοληψία άνθρακα.
Στον προσδιορισμό της κατώτερης θερμογόνου ικανότητας, στην περίπτωση των εναλλακτικών καυσίμων 1 πρέπει να ακολουθείται η γενικά αποδεκτή πρακτική αντιπροσωπευτικής δειγματοληψίας. Ο Παραγωγός παρέχει αποδεικτικά στοιχεία από τα οποία προκύπτει, ότι τα ληφθέντα δείγματα είναι αντιπροσωπευτικά και αμερόληπτα.
1 Ως εναλλακτικά καύσιμα ορίζονται τα αέρια παραπροϊόντα διεργασιών (π.χ. αέριο διυλιστηρίων, αέριο υψικαμίνου, αέρια περιστρεφόμενου κλιβάνου), τα αέρια θερμικά απόβλητα (π.χ. καυσαέρια από διεργασίες υψηλών θερμοκρασιών ή προϊόντα εξώθερμων αντιδράσεων) καθώς και το σύνολο των καυσίμων που δεν περιλαμβάνονται στα συμβατικά.
3. Καταγραφή μετρήσεων και επικοινωνία μετρητών και συγκεντρωτών με τα συστήματα συλλογής δεδομένων των ΦΕ
3.1. Καταγραφή δεδομένων
Τα μέσα που χρησιμοποιούνται για την αποθήκευση των πληροφοριών των μετρητών και συγκεντρωτών (data loggers) στις εγκαταστάσεις του Παραγωγού πρέπει να πληρούν τις εξής προϋποθέσεις:
| • | Σε περίπτωση βλάβης της μετρητικής διάταξης, ο μετρητής ή συγκεντρωτής πρέπει να προστατεύει όλες τις πληροφορίες που αποθηκεύτηκαν έως τη χρονική στιγμή της βλάβης και να διατηρεί την ακρίβεια της ώρας. |
| • | Σε περίπτωση διαταραχής της παροχής τροφοδότησης του μετρητή ή συγκεντρωτή θα πρέπει οι μετρούμενες τιμές, το ρολόι, οι παράμετροι και όλα τα δεδομένα να αποθηκεύονται σε μνήμη EEPROM με χρήση κατ' ελάχιστον υπερπυκνωτή, ώστε να είναι εφικτή η αυτόνομη τροφοδότηση του ρολογιού. |
| • | Οι λειτουργίες ανάγνωσης δεν επιτρέπεται να διαγράφουν ή να τροποποιούν τα καταμετρημένα και αποθηκευμένα δεδομένα. |
| • | Έπειτα από απαίτηση του ηλεκτρονικού συστήματος λήψης και αυτόματης μεταβίβασης των αποτελεσμάτων των μετρήσεων, κάθε μετρητής ή συγκεντρωτής πρέπει να μπορεί να παρέχει οποιοδήποτε τμήμα των δεδομένων που είναι αποθηκευμένα σε αυτόν. |
Οι συγκεντρωτές μπορούν είτε να συλλέγουν παλμούς από τους μετρητές, είτε να επικοινωνούν με αυτούς με κατάλληλο ψηφιακό δίκτυο. Σε κάθε περίπτωση πρέπει η ακρίβεια των συλλεγόμενων στο συγκεντρωτή τιμών να αντιστοιχεί με την ακρίβεια των μετρήσεων από τους μετρητές με τους οποίους επικοινωνούν.
Στην περίπτωση που οι συγκεντρωτές συλλέγουν παλμούς, πρέπει να πληρούν τις ακόλουθες προδιαγραφές:
| • | Οι αποθηκευμένες τιμές ζήτησης πρέπει να αντιστοιχούν σε ακέραιες τιμές μετρούμενων μεγεθών ή αριθμού παλμών και να έχουν ανάλυση καλύτερη από -0,1% πλήρους κλίμακας. |
| • | Η τιμή κάθε μετρούμενης ποσότητας της περιόδου ολοκλήρωσης που δεν αποθηκεύτηκε για τη συγκεκριμένη περίοδο πρέπει να μεταφέρεται στην επόμενη περίοδο. |
Ως συγκεντρωτές μπορούν να χρησιμοποιηθούν και κατάλληλοι μετρητές ηλεκτρικής ενέργειας.
Για το χρονισμό των ηλεκτρονικών μετρητών ή αντίστοιχα των συγκεντρωτών απαιτείται δυνατότητα συγχρονισμού με ακρίβεια δευτερολέπτου μέσω της μονάδας επικοινωνίας με τις ακόλουθες προδιαγραφές:
| • | Κάθε ηλεκτρονικός μετρητής ή συγκεντρωτής ρυθμίζεται ετησίως στη θερινή ώρα σύμφωνα με το UTC (Universal Time Clock). |
| • | Οι ρυθμίσεις του χρόνου επιτρέπεται να γίνονται και έπειτα από επικοινωνία με το κεντρικό σύστημα επεξεργασίας δεδομένων που λειτουργεί ο αρμόδιος ΦΕ. |
| • | Κάθε περίοδος ολοκλήρωσης πρέπει να αρχίζει εντός χρονικής περιόδου ±10 δευτερολέπτων της πραγματικής ώρας. Η διάρκεια κάθε περιόδου ολοκλήρωσης πρέπει να είναι ακριβής εντός ορίων ± 0,1%, εκτός εάν ο συγχρονισμός του χρόνου έχει συμβεί σε αυτή την περίοδο. |
Οι αρμόδιοι ΦΕ τηρούν βάση δεδομένων μετρητών και μετρήσεων που περιλαμβάνει πλήρες αρχείο μετρήσεων, με σήμανση στην περίπτωση που αυτά καθορίστηκαν κατόπιν διόρθωσης ή εκτίμησης.
3.1.1. Χωρητικότητα και χρόνος αποθήκευσης δεδομένων για μετρητές και συγκεντρωτές ηλεκτρικής ενέργειας
Οι μετρητές και οι συγκεντρωτές πρέπει να διαθέτουν χωρητικότητα αποθήκευσης 96 περιόδων την ημέρα, ώστε να έχουν δυνατότητα καταγραφής τουλάχιστον της καμπύλης φορτίου για την ενεργό εξερχόμενη ενέργεια με περίοδο ολοκλήρωσης 15 λεπτών.
Οι καταγραφόμενες τιμές θα πρέπει να αποθηκεύονται τουλάχιστον για 120 ημέρες.
3.1.2. Χωρητικότητα και χρόνος αποθήκευσης δεδομένων για μετρητές και συγκεντρωτές των μεγεθών που περιγράφονται στις παραγράφους 2.2 και 2.3
Οι μετρητές και οι συγκεντρωτές πρέπει να διαθέτουν χωρητικότητα αποθήκευσης τουλάχιστον 24 περιόδων την ημέρα, ώστε όλες οι τιμές ζήτησης που περιγράφονται στις παραγράφους 2.2 και 2.3 να καταγράφονται με περίοδο ολοκλήρωσης μίας ώρας.
Οι τιμές αυτές θα πρέπει να αποθηκεύονται για τουλάχιστον 120 ημέρες.
Σε περίπτωση απουσίας ηλεκτρονικών μετρητών των μεγεθών που περιγράφονται στις παραγράφους 2.2 και 2.3, τοποθετούνται συγκεντρωτές, οι οποίοι συλλέγουν τους παλμούς που παράγουν οι αντίστοιχοι μετρητές και τους ολοκληρώνουν στην περίοδο της ώρας. Οι συγκεντρωτές αυτοί πρέπει ομοίως να πληρούν τις παραπάνω απαιτήσεις αποθήκευσης δεδομένων.
3.2. Επικοινωνία ηλεκτρονικών μετρητών και συγκεντρωτών
Όλοι οι ηλεκτρονικοί μετρητές και συγκεντρωτές πρέπει να διαθέτουν δυνατότητα εγκατάστασης τηλεπικοινωνιακού εξοπλισμού για τη μετάδοση των δεδομένων μέτρησης. Επιπλέον, οι μετρητές πρέπει να διαθέτουν τουλάχιστον μία θύρα επικοινωνίας RS-485, ώστε να είναι δυνατή η σύνδεση εξωτερικού τηλεπικοινωνιακού μέσου PSTN ή GSM/GPRS.
Σε περίπτωση που ο Παραγωγός έχει εγκαταστήσει συγκεντρωτή για τη συγκέντρωση και καταγραφή των μετρήσεων των απαιτούμενων μετρητών, η επικοινωνία μεταξύ μετρητών και συγκεντρωτή μπορεί να γίνει με οποιοδήποτε πρωτόκολλο επικοινωνίας επιθυμεί ο Παραγωγός.
Σχετικά με τα πρωτόκολλα επικοινωνίας των μετρητών ή συγκεντρωτών με το σύστημα τηλεμέτρησης του αρμόδιου ΦΕ ισχύουν τα ακόλουθα:
Οι ηλεκτρονικοί μετρητές και συγκεντρωτές ηλεκτρικής ενέργειας πρέπει να διαθέτουν πρωτόκολλο επικοινωνίας DLMS/COSEM, το οποίο καθορίζεται κατά το πρότυπο IEC 62056.
Οι ηλεκτρονικοί μετρητές και συγκεντρωτές των μεγεθών που περιγράφονται στις παραγράφους 2.2 και 2.3 πρέπει να ακολουθούν κάποιο από τα ακόλουθα πρωτόκολλα επικοινωνίας:
3.3. Συλλογή μετρήσεων
Η συλλογή των μετρήσεων από τους ηλεκτρονικούς μετρητές ή τους συγκεντρωτές διενεργείται από τους αρμόδιους ΦΕ, οι οποίοι για το σκοπό αυτό λειτουργούν ηλεκτρονικό σύστημα αυτόματης συλλογής και μεταβίβασης των μετρήσεων.
Οι ενδιαφερόμενοι Παραγωγοί που εντάσσονται στο Μητρώο ΕΠ υποχρεούνται να εγκαταστήσουν τηλεπικοινωνιακή σύνδεση σταθερής τηλεφωνίας PSTN ή κινητής τηλεφωνίας GSM/GPRS και να διασφαλίζουν τη δυνατότητα τηλεμετάδοσης για τους ηλεκτρονικούς μετρητές ή συγκεντρωτές των εγκαταστάσεών τους.
Μέχρι την ενεργοποίηση των συστημάτων αυτόματης συλλογής μετρήσεων από τους αρμόδιους ΦΕ και για εγκαταστάσεις που συνδέονται στη χαμηλή τάση, η συλλογή των μετρήσεων διενεργείται ως εξής:
α) για τους μετρητές ηλεκτρικής ενέργειας, με επιτόπια καταμέτρηση μία φορά στους 4 μήνες από εξουσιοδοτημένο εκπρόσωπο του αρμόδιου Διαχειριστή του Δικτύου
β) για τους μετρητές των μεγεθών των παραγράφων 2.2 και 2.3 καθώς και τους μετρητές ηλεκτρικής ενέργειας που εγκαταστάθηκαν με ευθύνη του Παραγωγού, με επιτόπια καταμέτρηση που γίνεται από τον Παραγωγό.
Εφόσον λειτουργεί ηλεκτρονικό σύστημα αυτόματης συλλογής και μεταβίβασης των μετρήσεων, τυχόν μετρητές που έχουν εγκατασταθεί πριν τη θέση σε ισχύ του παρόντος Εγχειριδίου και πληρούν τις απαιτήσεις που τίθενται στην ενότητα 2 του παρόντος, αλλά δε διαθέτουν δυνατότητα τηλεμετάδοσης, πρέπει να προσαρμοστούν στις απαιτήσεις της παρούσας παραγράφου για τηλεμετάδοση των μετρήσεων εντός 1 έτους από τη θέση σε ισχύ του παρόντος Εγχειριδίου ή την έναρξη λειτουργίας ηλεκτρονικού συστήματος αυτόματης συλλογής και μεταβίβασης των μετρήσεων, όποιο από τα δύο επέλθει αργότερα.
Επιπλέον των τηλεμετρήσεων, για τους μετρητές των μεγεθών των παραγράφων 2.2 και 2.3 ο Παραγωγός παρέχει στον αρμόδιο ΦΕ ηλεκτρονικό αρχείο με τα δεδομένα μετρήσεων που συλλέγει με επιτόπια καταμέτρηση, κάθε φορά που αιτείται την έκδοση πιστοποιητικού ΕΠ.
Η συλλογή των μετρήσεων διενεργείται μετά το πέρας κάθε ημέρας.
Για την καλύτερη λειτουργία του συστήματος αυτόματης συλλογής και μεταβίβασης των μετρήσεων, ο ΦΕ δύναται να καθορίζει συντομότερες των ανωτέρω χρονικές περιόδους συλλογής.
4. Κανόνες προσδιορισμού της θέσης των μετρητών
4.1 Συμπαραγωγή ηλεκτρισμού και θερμότητας
1. Η παραγόμενη ηλεκτρική ενέργεια, σύμφωνα με το άρθρο 4 παράγραφος 3 της υπουργικής απόφασης οίκοθεν [Α] Δ5-ΗΛ/Γ/Φ1/15641, πρέπει να μετράται στους ακροδέκτες της γεννήτριας πριν την αφαίρεση των εσωτερικών καταναλώσεων. Για το σκοπό αυτόν απαιτείται, αν δεν υπάρχει, εγκατάσταση νέας μετρητικής διάταξης (στους ακροδέκτες της γεννήτριας) επιπρόσθετα της υπάρχουσας στο όριο με το Δίκτυο Διανομής ή το Σύστημα Μεταφοράς. Ωστόσο, εφόσον ο Παραγωγός το επιθυμεί, είναι δυνατόν να υπολογίζεται η παραγόμενη ενέργεια από τον υφιστάμενο στο όριο με το Δίκτυο Διανομής ή το Σύστημα Μεταφοράς μετρητή ηλεκτρικής ενέργειας, προσαυξημένη με τις απώλειες του εσωτερικού δικτύου, χωρίς τη χρήση επιπλέον μετρητικής διάταξης.
2. Η χρήσιμη θερμική ενέργεια 2 μετριέται στην έξοδο της μονάδας συμπαραγωγής, όπου η έξοδος έχει προσδιοριστεί στο διάγραμμα ροής της εγκατάστασης.
3. Η χρήσιμη θερμότητα δεν περιλαμβάνει τη θερμότητα που απορρίπτεται στο περιβάλλον χωρίς επωφελή χρήση, όπως τις θερμικές απώλειες καπνοδόχων ή αγωγών εξαγωγής, και την απορριπτόμενη θερμότητα από τεχνικό εξοπλισμό όπως συμπυκνωτές ή ψύκτες αέρος.
4. Όταν γίνεται χρήση ατμού για διαδικασίες, όπως η θέρμανση συμπυκνωμάτων, η θέρμανση νερού συμπλήρωσης και νερού τροφοδότησης λεβήτων, ο εν λόγω ατμός δεν συνυπολογίζεται στη χρήσιμη θερμότητα που παρέχεται στην εγκατάσταση και κατά συνέπεια οι μετρητές τοποθετούνται σε σημείο κατάντη του συλλέκτη τροφοδοσίας των εν λόγω καταναλώσεων.
5. Ο ατμός που εγχέεται σε αεριοστρόβιλο δε θεωρείται χρήσιμη θερμότητα, διότι η ενέργεια που περιέχει έχει συνυπολογιστεί στην αύξηση της παραγόμενης ηλεκτρικής ενέργειας και της ροής μάζας των καυσαερίων και συνεπώς οι μετρητές τοποθετούνται σε σημείο κατάντη του συλλέκτη τροφοδοσίας των εν λόγω καταναλώσεων.
6. Για μια εγκατάσταση ΣΗΘ που παρέχει θερμότητα σε έναν ή περισσότερους εξωτερικούς πελάτες, η χρήσιμη θερμότητα που εξάγεται ισούται με την καθαρή μεταφορά θερμότητας στα χωρικά όρια της εγκατάστασης (δηλαδή η θερμότητα που παρέχεται μείον τη θερμότητα που επιστρέφει), με εξαίρεση την επιστροφή συμπυκνωμάτων. Έτσι λοιπόν, μια εγκατάσταση ΣΗΘ μπορεί να εξάγει ατμό σε μια άλλη περιοχή και να παίρνει πίσω το σύνολο ή μέρος του ατμού σε μειωμένη πίεση ή ως συμπύκνωμα. Στην περίπτωση αυτή, η παραγόμενη χρήσιμη θερμότητα προσδιορίζεται με το ενεργειακό περιεχόμενο του εξαγόμενου ατμού μείον το ενεργειακό περιεχόμενο του ατμού που επιστρέφει, έχοντας ως κοινή βάση αναφοράς το νερό σε θερμοκρασία περιβάλλοντος. Το θερμικό περιεχόμενο των συμπυκνωμάτων δεν αφαιρείται από τη θερμότητα που παρέχεται, δηλαδή όταν η επιστροφή είναι νερό και όχι ατμός χαμηλότερης ενεργειακού περιεχομένου, το θερμικό περιεχόμενο του νερού επιστροφής, δεν αφαιρείται από τη χρήσιμη θερμότητα.
2 Η χρήσιμη θερμότητα που παρέχεται από μια εγκατάσταση ΣΗΘ είναι η θερμική ενέργεια που παράγεται στο πλαίσιο διεργασίας συμπαραγωγής προκειμένου να ικανοποιήσει οικονομικά δικαιολογημένη ζήτηση για θέρμανση ή ψύξη, η οποία καθορίζεται ως η ζήτηση που δεν υπερβαίνει τις ανάγκες θέρμανσης ή ψύξης και η οποία διαφορετικά θα ικανοποιείτο, σύμφωνα με τις συνθήκες της αγοράς, από διαδικασίες παραγωγής χρήσιμων μορφών ενέργειας διαφορετικές από την συμπαραγωγή.
7. Η εξαγόμενη θερμότητα που χρησιμοποιείται για ηλεκτροπαραγωγή σε άλλο χώρο δεν θεωρείται χρήσιμη θερμότητα, αλλά μέρος της διακινούμενης θερμότητας στο εσωτερικό μιας εγκατάστασης συμπαραγωγής. Στην περίπτωση αυτή πρέπει να παρέχονται λεπτομέρειες αναφορικά με τη χρήση της εν λόγω θερμότητας. Σε ορισμένες περιπτώσεις οι εγκαταστάσεις ΣΗΘ εξάγουν ατμό που εισήχθη αρχικά σε υψηλότερη πίεση από κάποια άλλη εγκατάσταση. Προκειμένου να χαρακτηριστεί ως παραγόμενη χρήσιμη θερμότητα, η εν λόγω θερμότητα πρέπει να χρησιμοποιείται σε διεργασία ή σε θέρμανση χώρων.
8. Τα συστήματα παραγωγής ατμού δύνανται να παρέχουν ατμό σε διαφορετικές πιέσεις και η παραγόμενη θερμότητα να αποτελεί το άθροισμα των επιμέρους διαδικασιών. Σε αυτήν την περίπτωση απαιτείται η μέτρηση της πίεσης, της θερμοκρασίας και της παροχής ατμού από κάθε διεργασία ξεχωριστά.
9. Σε περίπτωση που η παραγόμενη (χρήσιμη) θερμότητα διοχετεύεται σε τρίτον (εξωτερικό πελάτη), αυτή πρέπει να αποδεικνύεται με τιμολόγια από τον Παραγωγό, στα οποία θα αναγράφονται τουλάχιστον τα ακόλουθα:
| • | ποσότητα της διοχετευόμενης θερμότητας σε MWh |
| • | περιγραφή χρήσης της θερμότητας |
| • | πλήρη στοιχεία του παραλήπτη |
Έχοντας καθορίσει στην προηγούμενη ενότητα το τι νοείται ως χρήσιμη θερμότητα του συστήματος ΣΗΘ, θα πρέπει να τοποθετηθούν μετρητικά στην είσοδο και στην έξοδο των προαναφερόμενων διαδικασιών, προκειμένου να υπολογιστεί η χρήσιμη παραγόμενη θερμότητα. Αυτό μπορεί να συνεπάγεται τη μέτρηση ατμού σε διαφορετικά επίπεδα πίεσης. Οι μετρητικοί σταθμοί πρέπει να τοποθετούνται έτσι ώστε να μη λαμβάνεται υπόψη ατμός που χρησιμοποιείται για παρασιτικά θερμικά φορτία εντός της εγκατάστασης (όπως περιγράφονται στην προηγούμενη ενότητα) και ο ατμός που αποβάλλεται στην ατμόσφαιρα.
Το Διάγραμμα Ροής της εγκατάστασης ΣΗΘ δείχνει τη σχέση της μονάδας ΣΗΘ με τη συνολική εγκατάσταση. Το διάγραμμα περιλαμβάνει όλα τα κύρια στοιχεία του σταθμού που βρίσκονται εντός των ορίων του συστήματος ΣΗΘ, τις διασυνδέσεις τους και το δίκτυο σωληνώσεων και καλωδίων που μεταφέρουν καύσιμα και ενέργεια προς το σύστημα ΣΗΘ, καθώς και την παραγόμενη ηλεκτρική και θερμική ενέργεια (ατμός, θερμό νερό ή καυσαέρια, ανάλογα με την περίπτωση). Σε όλες τις γραμμές αναφέρονται με σαφήνεια το ρευστό και η μεταφερόμενη ενέργεια. Στο διάγραμμα ροής απεικονίζονται οι τυπικοί ρυθμοί ροής των διαφόρων ρευστών, καθώς και η ισχύς (kW ή MW) του καυσίμου, της παραγόμενης θερμικής, ηλεκτρικής και μηχανικής ενέργειας. Στην περίπτωση του ατμού και του θερμού νερού θα πρέπει να σημειώνεται η πίεση και η θερμοκρασία λειτουργίας. Όλα τα κύρια στοιχεία του εξοπλισμού και οι μετρητικές διατάξεις προσδιορίζονται στο διάγραμμα με ένα απλό χαρακτηριστικό όνομα.
Όταν υπάρχουν διάφοροι τρόποι λειτουργίας ή σημαντικές εποχιακές ή ημερήσιες μεταβολές φορτίου, πρέπει να δηλώνεται με σαφήνεια η περίπτωση για την οποία ισχύουν τα δεδομένα (π.χ. μέσες συνθήκες χειμώνα).
Ακολουθούν χαρακτηριστικά παραδείγματα μονογραμμικών διαγραμμάτων ροής ενέργειας μονάδων ΣΗΘ με τα χαρακτηριστικά χωρικά όρια των συστημάτων.

Σχήμα 1. Προσδιορισμός του χωρικού ορίου μονάδας ΣΗΘ με Παλινδρομική μηχανή εσωτερικής καύσης

Σχήμα 2: Προσδιορισμός του χωρικού ορίου μονάδας ΣΗΘ με αεριοστρόβιλο ανοιχτού τύπου και λέβητα ανάκτησης θερμότητας

Σχήμα 3: Προσδιορισμός του χωρικού ορίου μονάδας ΣΗΘ με ατμοστρόβιλο αντίθλιψης

Σχήμα 4: Προσδιορισμός του χωρικού ορίου μονάδας ΣΗΘΥΑ με συμμετοχή δευτερευόντων ατμοστροβίλων

Σχήμα 5: Προσδιορισμός του χωρικού ορίου μονάδας ΣΗΘΥΑ συνδυασμένου κύκλου

Σχήμα 6: Προσδιορισμός του χωρικού ορίου μονάδας τριπαραγωγής με Παλινδρομική Μηχανή Εσωτερικής Καύσης για κάλυψη ηλεκτρικών, Θερμικών και ψυκτικών φορτίων

Σχήμα 7: Προσδιορισμός του χωρικού ορίου μονάδας τριπαραγωγής για κάλυψη ηλεκτρικών, θερμικών και ψυκτικών φορτίων

Σχήμα 8: Προσδιορισμός του χωρικού ορίου μονάδας ΣΗΘΥΑ αεριοστροβίλου ανοιχτού κύκλου με απευθείας χρήση θερμότητας καυσαερίων

Σχήμα 9: Προσδιορισμός του χωρικού ορίου μονάδας ΣΗΘΥΑ με αεριοστρόβιλο

Σχήμα 10: Προσδιορισμός του χωρικού ορίου μονάδας ΣΗΘΥΑ με ατμοστρόβιλο και by pass χρήση θερμότητας ατμού του λέβητα, εκτός ορίων συστήματος ΣΗΘΥΑ, για θερμική διεργασία.
4.2. Ηλιοθερμικοί σταθμοί
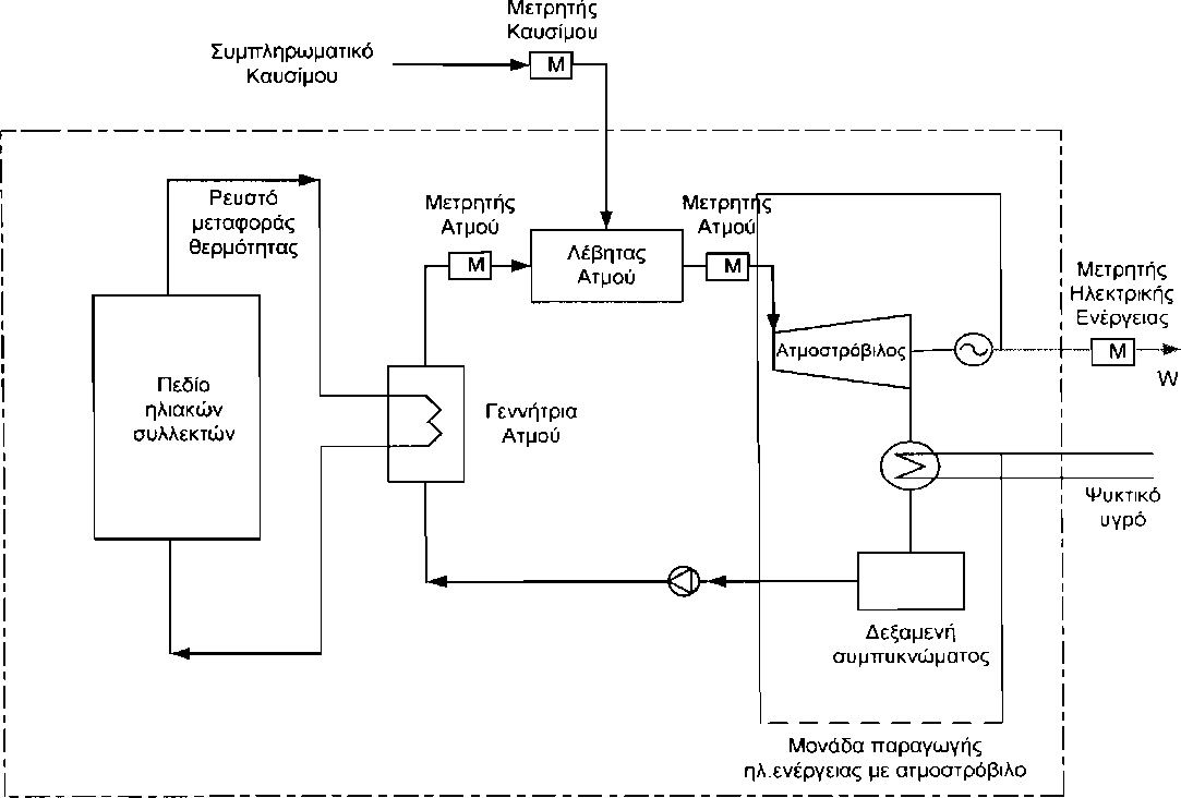
Στην περίπτωση παραγωγής ηλεκτρικής ενέργειας από ηλιοθερμικούς σταθμούς με τη χρήση συμπληρωματικής καύσης συμβατικού καυσίμου, απαιτείται ο προσδιορισμός της ηλεκτρικής ενέργειας που παράγεται από την καύση των συμβατικών καυσίμων. Για το λόγο αυτό, θα πρέπει να εγκατασταθούν μετρητικά στην είσοδο και στην έξοδο του λέβητα ατμού, καθώς και στο σημείο εισόδου καυσίμου στην εγκατάσταση (σχήμα 4). Ο προσδιορισμός της ενέργειας του ατμού καθώς και της ενέργειας του καυσίμου γίνεται με τον τρόπο που περιγράφεται στις ενότητες 2.2, 2.3 και 2.4. Από την επίλυση του ενεργειακού ισοζυγίου του λέβητα ατμού και της μονάδας παραγωγής ηλεκτρικής ενέργειας (σχήμα 4) προσδιορίζεται η ηλεκτρική ενέργεια που παράγεται από την καύση των συμβατικών καυσίμων. Η μοντελοποίηση του ισοζυγίου δίνει τη δυνατότητα συνεχούς παρακολούθησης του συστήματος.
Ακολουθεί χαρακτηριστικό παράδειγμα μονογραμμικού διαγράμματος ροής μονάδας παραγωγής ηλεκτρισμού από Ανανεώσιμες Πηγές Ενέργειας με εστίαση της ηλιακής ενέργειας με συλλέκτες και χρήση συμπληρωματικής καύσης με τα χαρακτηριστικά χωρικά όρια των συστημάτων.
Όρια μονάδας παραγωγής ηλεκτρισμού με ηλιακή ενέργεια

Σχήμα 11: Προσδιορισμός του χωρικού ορίου μονάδας παραγωγής ηλεκτρισμού από Ανανεώσιμες Πηγές Ενέργειας με εστίαση της ηλιακής ενέργειας με συλλέκτες και χρήση συμπληρωματικής καύσης.
Η απόφαση αυτή να δημοσιευθεί στην Εφημερίδα της Κυβερνήσεως.
Αθήνα, 28-12-2011
Ο Πρόεδρος της Ρυθμιστικής Αρχής Ενέργειας