| Συνδεθείτε στην Υπηρεσία Νομοσκόπιο | | | | | Νέοι χρήστες | | Εάν είστε νέος χρήστης, θα πρέπει να δημιουργήσετε ένα ΔΩΡΕΑΝ λογαριασμό προκειμένου να φύγει το παράθυρο αυτό και να αποκτήσετε πλήρη πρόσβαση στην υπηρεσία Νομοσκόπιο. | | Δημιουργία νέου λογαριασμού | | |
17.1. Πεδίο ορισμού
Οι Κανόνες του παρόντος Κεφαλαίου ισχύουν για κατασκευές οπλισμένου και προεντεταμένου σκυροδέματος ακόμα και σε περιοχές με σεισμό.
Οι παράγραφοι 17.2 έως και 17.9 ισχύουν για χάλυβες οπλισμένου σκυροδέματος.
Η παράγραφος 17.10 ισχύει για τους τένοντες προέντασης.
Οι παράγραφοι 17.8, 17.11 και 17.12 ισχύουν για χάλυβες οπλισμένου και προεντεταμένου σκυροδέματος.
Γενικά η χρήση συγκολλητών δομικών πλεγμάτων, ως κυρίως οπλισμών δεν επιτρέπεται στις κρίσιμες περιοχές δομικών στοιχείων με απαιτήσεις αντισεισμικότητας.
17.2. Χαρακτηριστικά των οπλισμών
17.2.1. Προτιμώμενες ονομαστικές διάμετροι
Πρέπει να καταβάλλεται προσπάθεια τυποποίησης των χρησιμοποιούμενων διαμέτρων.
17.2.2. Ταυτόχρονη χρησιμοποίηση διαφόρων ειδών χαλύβων
Η ταυτόχρονη χρησιμοποίηση διαφόρων ειδών χαλύβων επιτρέπεται μόνο αν αυτό λαμβάνεται υπόψη κατά τη διαστασιολόγηση και εφόσον αποκλείεται κάθε σύγχυση κατά την κατασκευή.
17.2.3. Κάμψεις οπλισμών
17.2.3.1. Επιτρεπόμενες διάμετροι καμπύλωση
Η επιτρεπόμενη ελάχιστη διάμετρος D καμπύλωσης αγκίστρων ημικυκλικών ή ορθογωνικών, αναβολέων κ.λ.π. δίνεται από τον Πίνακα 17.1.
Πίνακας 17.1: Ελάχιστη διάμετρος D καμπύλωσης
|
|
S220
|
S400, S500
|
1
|
Διάμετρος ράβδου Φ (mm)
|
Άγκιστρα ημικυκλικά, ορθογωνικά, αναβολείς
|
Άγκιστρα ορθογωνικά
|
2
|
< 20
|
2,5Φ
|
4Φ
|
3
|
20 μέχρι 25
|
5Φ
|
7Φ
|
4
|
Επικάλυψη σκυροδέματος κάθετη στην επιφάνεια καμπυλότητας
|
Κάμψεις και άλλες καμπυλότητες ράβδων (π.χ. σε γωνίες πλαισίων)*
|
5
|
> 50 mm και
> 3Φ
|
10Φ
|
15Φ*
|
6
|
≤ 50 mm ή
≤ 3Φ
|
15Φ
|
20Φ
|
* Αν κάμπτονται στην ίδια θέση ράβδοι περισσότερων στρώσεων, τότε πρέπει οι τιμές των σειρών 5 και 6 για ράβδους εσωτερικών στρώσεων να αυξάνονται με το συντελεστή 1,5.
** Η διάμετρος καμπύλωσης μπορεί να μειωθεί σε D = 10Φ αν η επικάλυψη σκυροδέματος καθέτως προς την επιφάνεια καμπυλότητας και η απόσταση των αξόνων των ράβδων είναι τουλάχιστον 100 mm και 7Φ αντιστοίχως.
17.2.3.2. Κάμψεις σε συγκολλητούς οπλισμούς
Για συγκολλητούς οπλισμούς και συγκολλητά δομικά πλέγματα που κάμπτονται μετά τη συγκόλληση ισχύουν οι τιμές του Πίνακα 17.2.
17.3. Ελάχιστη επικάλυψη του οπλισμού
Πρέπει οπωσδήποτε να τηρούνται οι διατάξεις των παραγράφων 5.1 και 17.5 που αφορούν την ελάχιστη ονομαστική επικάλυψη.
17.4. Αποστάσεις μεταξύ των οπλισμών
Η καθαρή απόσταση παραλλήλων οπλισμών εκτός των περιοχών ενώσεων πρέπει να είναι τουλάχιστον ίση με:
| • | τη μεγαλύτερη διάμετρο των ράβδων, |
Όταν οι ράβδοι τοποθετούνται σε περισσότερες από μια σειρές, τότε πρέπει να τοποθετούνται η μια επάνω ή πίσω από την άλλη. Εξαίρεση των καθαρών αυτών αποστάσεων γίνεται στις ράβδους με υπερκάλυψη στην περιοχή της ενώσεως όπου μπορεί η μια να εφάπτεται της άλλης.
17.5. Οριακή τάση συνάφειας
Η ποιότητα της συνάφειας εξαρτάται από τη διάσταση του δομικού στοιχείου και από τη θέση και κλίση του οπλισμού.
Για να μεταβιβάζονται ασφαλώς οι δυνάμεις συνάφειας πρέπει η επικάλυψη των οπλισμών να είναι μεγαλύτερη από 2Φ ή 2Φ n + 5 mm και 2Φ n + 5 mm για dΑΔΡ > 32 mm) όπου:
Φ: διάμετρος ράβδου.
Φ n: ισοδύναμη διάμετρος δέσμης ράβδων.
Οι τάσεις συνάφειας θεωρούνται σταθερές κατά μήκος των ράβδων. Ο προσδιορισμός των μηκών αγκυρώσεων και των επικαλύψεων βασίζεται στην οριακή τιμή της fBD.
Διακρίνονται δύο περιοχές συνάφειας:
Περιοχή συνάφειας Ι: όπου οι συνθήκες συνάφειας θεωρούνται ευνοϊκές.
Περιοχή συνάφειας ΙΙ: όπου οι συνθήκες συνάφειας δεν θεωρούνται ευνοϊκές.
Στην περιοχή συνάφειας ΙΙ (δυσμενείς συνθήκες συνάφειας) ανήκουν ράβδοι για τις οποίες ισχύουν όλες οι παρακάτω συνθήκες (βλέπε και Πίνακα 17.3):
| • | έχουν κλίση ως προς την οριζόντια 0-45° για κατακόρυφη σκυροδέτηση |
| • | βρίσκονται σε στοιχεία με πάχος κατά τη διεύθυνση σκυροδετήσεως μεγαλύτερο από 250 mm |
| • | είναι τοποθετημένες στο πάνω μισό πάχος του στοιχείου |
| • | το πάχος του σκυροδέματος που τις καλύπτει είναι μικρότερο από 300 mm. |
Στην περιοχή συνάφειας Ι (ευνοϊκές συνθήκες) ανήκουν όλες οι άλλες ράβδοι.
Πίνακας 17.3: Καθορισμός των περιοχών συνάφειας
|
μικρότερο από 250 mm
|
Πάχος στοιχείου μεγαλύτερο από 250 mm
|
H ράβδος βρίσκεται στο:
|
κάτω ήμισυ
|
άνω ήμισυ
|
Η ράβδος καλύπτεται από σκυρόδεμα πάχους:
|
λιγότερο από 300 mm
|
περισσότερο από 300 mm
|
Κλίση ως προς οριζόντια
|
0-45
|
I
|
I
|
II
|
I
|
45-90
|
I
|
I
|
I
|
I
|
Οι βασικές τιμές του fBD δίνονται στον Πίνακα 17.4.
Πίνακας 17.4: Βασικές τιμές του fBD (MPa)
Περιοχή συνάφειας Ι
|
fCK
|
12
|
16
|
20
|
25
|
30
|
35
|
40
|
45
|
50
|
Λείες ράβδοι
|
0,8
|
0,95
|
1,1
|
1,2
|
1,35
|
1,45
|
1,6
|
1,75
|
1,85
|
Ράβδοι Φ< 32 Υψηλής συνάφειας
|
1,5
|
2,0
|
2,3
|
2,7
|
3,0
|
3,4
|
3,7
|
4,0
|
4,3
|
Περιοχή συνάφειας ΙΙ
|
70% των τιμών της περιοχής συνάφειας
|
Στην περίπτωση όπου ασκείται εγκάρσια μέση πίεση p (ΜPa), εγκάρσια προς το αναμενόμενο επίπεδο αποσχίσεως, οι τιμές fBD του Πίνακα 17.4 πρέπει να αυξάνονται πολλαπλασιαζόμενες με το συντελεστή (1:(1-0.04 p)) ≤ 1.4.
17.6. Αγκυρώσεις
17.6.1. Τύποι αγκυρώσεων
Σε σχέση με την αποδοτικότητά τους οι αγκυρώσεις διακρίνονται σε 4 τύπους (Σχήμα 17.1):
1. Ευθύγραμμες αγκυρώσεις.
2. Καμπύλες αγκυρώσεις (άγκιστρα ημικυκλικά, ορθογωνικά, αναβολείς).
3. Ευθύγραμμες αγκυρώσεις με τουλάχιστον μια συγκολλημένη εγκάρσια ράβδο στο μήκος αγκύρωσης.
Η εγκάρσια συγκολλημένη ράβδος πρέπει να απέχει το πολύ 5Φ από τη θέση ενάρξεως του lB,NET, η δε διάμετρός της πρέπει να είναι τουλάχιστον ίση με 0.5.
4. Αγκυρώσεις με πρόσθετα στοιχεία.

Σχήμα 17.1: Τύποι αγκυρώσεων και τιμές του συντελεστή α της εξίσωσης 17.2
17.6.2. Βασικό μήκος ευθύγραμμης αγκύρωσης
Το βασικό μήκος lB είναι το μήκος αγκύρωσης ευθύγραμμων ράβδων με πλήρη εκμετάλλευση της αντοχής τους (αγκύρωση τύπου 1).
Για μεμονωμένες ράβδους και συγκολλητά δομικά πλέγματα ράβδων με νευρώσεις, το lB προσδιορίζεται από τη σχέση (17.1):
lB = (Φ/4) (fYD/fBD) (17.1)
όπου:
Φ, η διάμετρος της ράβδου η οποία για δομικά πλέγματα διπλών ράβδων αντικαθίσταται από την ισοδύναμη διάμετρο Φ2.
fBD, η οριακή τάση συνάφειας σύμφωνα με την παράγραφο 17.5 και
fYD, η τιμή σχεδιασμού του ορίου διαρροής του χάλυβα.
Για συγκολλητά δομικά πλέγματα με ράβδους λείες ή με εγκοπές, το μήκος είναι το μήκος που αντιστοιχεί σε 4 συγκολλημένες εγκάρσιες ράβδους, αλλά όχι μεγαλύτερο από το μήκος που προκύπτει από την εξίσωση (17.1) για πλέγματα με ράβδους με νευρώσεις.
17.6.3. Απαιτούμενο ευθύγραμμο μήκος αγκύρωσης
Το απαιτούμενο ευθύγραμμο μήκος αγκύρωσης lB,NET εξαρτάται από τον τύπο της αγκύρωσης και την υπάρχουσα τάση στο χάλυβα και υπολογίζεται για μεμονωμένες ράβδους και συγκολλητά δομικά πλέγματα ράβδων με νευρώσεις από την εξίσωση (17.2).
lB,NET = α lB (AS,CAL/AS,EF) ≥ lB,MIN (17.2)
όπου:
AS,CAL, η κατά τους υπολογισμούς θεωρητικά απαιτούμενη διατομή οπλισμού
AS,EF, η υπάρχουσα διατομή οπλισμού.
α, συντελεστής εξαρτώμενος από τον τύπο αγκύρωσης κατά το Σχήμα 17.1 (≥ 0.5).
lB,MIN = 0.4 lB (≥ 20Φ) για ράβδους υπό εφελκυσμό
= 0.6 lB (≥ 100 mm) για ράβδους υπό θλίψη.
lB κατά την εξίσωση 17.1.
Για συγκολλητά δομικά πλέγματα με λείες ράβδους, το μήκος lb,net προσδιορίζεται από την εξίσωση (17.2) εάν υπάρχουν εντός του μήκους αγκύρωσης τουλάχιστον
n = 4 AS,CAL/AS,EF εγκάρσιες ράβδοι.
ΣΗΜΕΙΩΣΗ: Η παράγραφος 17.6.3 τίθεται όπως τροποποιήθηκε με την υπ' αριθμόν Δ11Β/81/1995 απόφαση (ΦΕΚ 964/Β/1995).
|
17.6.4 Εγκάρσιος οπλισμός στις περιοχές αγκυρώσεων
Στις περιοχές αγκυρώσεων πρέπει να τοποθετείται εγκάρσιος οπλισμός. Εξαίρεση αποτελούν οι εφελκυόμενες ράβδοι όταν αναπτύσσεται εγκάρσια θλίψη λόγω αντιδράσεων στηρίξεως.
Το ελάχιστο εμβαδόν του εγκάρσιου οπλισμού πρέπει να είναι το 25% του εμβαδού της μέγιστης από τις αγκυρούμενες ράβδους.
Ο εγκάρσιος οπλισμός πρέπει να είναι ομοιόμορφα κατανεμημένος μέσα στο μήκος αγκυρώσεως. Σε περίπτωση καμπύλων αγκυρώσεων, πρέπει να τοποθετείται στην περιοχή των αγκίστρων ή των αναβολέων τουλάχιστον μια ράβδος εγκάρσιου οπλισμού.
Στις συνήθεις περιπτώσεις πλακών, πλακών με νευρώσεις, ή με σώματα πλήρωσης, πλακοδοκών και δοκών, υποστυλωμάτων και τοιχωμάτων, αρκούν οι εγκάρσιοι οπλισμοί που δίνονται στο Κεφάλαιο 18.
Σε αγκυρούμενες ράβδους υπό θλίψη, ο εγκάρσιος οπλισμός πρέπει να τις περιβάλλει, να είναι συγκεντρωμένος περί το τέλος της αγκυρώσεως και να επεκτείνεται πέραν αυτού σε μια απόσταση τουλάχιστον ίση με 5 Φ ή 5 Φ n.
Σε πλάκες με διαμήκη οπλισμό διαμέτρου Φ > 16 mm, ο εγκάρσιος οπλισμός στις περιοχές αγκυρώσεων πρέπει να τοποθετείται στην εξωτερική παρειά.
17.6.5. Αγκυρώσεις με πρόσθετα στοιχεία
Η χρήση αγκυρώσεων με πρόσθετα στοιχεία επιτρέπεται μόνο αν υπάρχουν σχετικές εγκριτικές αποφάσεις.
17.7. Ενώσεις
17.7.1. Είδη ενώσεων
Ενώσεις οπλισμών μπορούν να γίνουν με:
| • | υπερκάλυψη των ράβδων με ευθύγραμμα άκρα, με άγκιστρα ημικυκλικά ή ορθογωνικά, με αναβολείς, με ευθύγραμμα άκρα με συγκολλητούς εγκάρσιους οπλισμούς (π.χ. σε συγκολλητά δομικά πλέγματα), |
| • | μηχανικά μέσα (αρμοκλείδες, ενώσεις με τήγμα μετάλλου κ.ά.). |
17.7.2. Ενώσεις με υπερκάλυψη
17.7.2.1. Διάταξη των ενώσεων με υπερκάλυψη
Οι ενώσεις με υπερκάλυψη πρέπει, κατά το δυνατόν, να διατάσσονται κατ' αποστάσεις μεταξύ τους και να αποφεύγεται η τοποθέτησή τους στις περιοχές υψηλών τάσεων.
Για οπλισμούς υψηλής συνάφειας σε μια στρώση επιτρέπεται η ένωση με υπερκάλυψη μέχρι και όλων των ράβδων (100%) σε μια διατομή του δομικού στοιχείου. Αν όμως οι οπλισμοί που υπερκαλύπτονται βρίσκονται σε περισσότερες στρώσεις τότε επιτρέπεται η υπερκάλυψη μόνο του μισού (50%) της συνολικής διατομής οπλισμού σε μια θέση.
Οι ενώσεις με υπερκάλυψη πρέπει να διατάσσονται συμμετρικά και παραλλήλως προς τις παρειές του στοιχείου.
Για λείες ράβδους επιτρέπεται η ένωση με υπερκάλυψη του 1/3 της διατομής οπλισμού κάθε στρώσης σε μια διατομή του δομικού στοιχείου. Οι δευτερεύοντες οπλισμοί διέρειστων πλακών επιτρέπεται να υπερκαλύπτονται στο σύνολό τους (100%) σε μια διατομή.
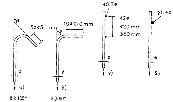
Ενώσεις με υπερκάλυψη θεωρούνται μετατοπισμένες, όταν η απόσταση των μέσων δύο γειτονικών ενώσεων είναι μεγαλύτερη από 1,5 l0 όπου l0 το μήκος υπερκάλυψης σύμφωνα με την εξίσωση (17.3). Οι εγκάρσιες αποστάσεις μεταξύ των ράβδων φαίνονται στο Σχήμα 17.2.

Σχήμα 17.2: Απόσταση των ράβδων οπλισμού στην περιοχή ένωσης
17.7.2.2. Μήκος υπερκάλυψης εφελκυόμενων ράβδων
Το απαιτούμενο μήκος υπερκάλυψης εφελκυόμενων l0 ράβδων (Σχήμα Σ 17.3) υπολογίζεται από το αντίστοιχο απαιτούμενο μήκος αγκύρωσης λαμβάνοντας υπόψη τα χαρακτηριστικά της όπλισης (Πίνακας 17.5):
l0 = α1 lB,NET ≥ l0,MIN (17.3)
όπου:
lB,NET μήκος αγκύρωσης κατά την εξίσωση (17.2),
α1, συντελεστής κατά τον πίνακα 17.5,
l0,MIN ελάχιστο μήκος υπερκάλυψης το οποίον είναι ίσο με max (0.3 α x α1 lB, 15Φ, 200 mm).
Πίνακας 17.5: Συντελεστές α1
Περιοχή συνάφειας παραγράφου 17.5
|
Απόσταση μεταξύ δύο γειτονικών ενώσεων (a)
|
Απόσταση από την πλησιέστερη επιφάνεια (b)
|
Για υπερκαλυπτόμενες ράβδους (ποσοστό σε σχέση με την ολική διατομή χάλυβα)
|
Για εγκάρσιους οπλισμούς διανομής
|
20%
|
25%
|
33%
|
50%
|
>50%
|
Ι
|
a ≤ 10Φ είτε b ≤ 5Φ
|
1.2
|
1.4
|
1.6
|
1.8
|
2.0
|
1.0
|
a > 10Φ και b > 5Φ
|
1.0
|
1.1
|
1.2
|
1.3
|
1.4
|
ΙΙ
|
|
75% των τιμών της περιοχής συνάφειας Ι<1
|
1.0
|
17.7.2.3. Μήκος υπερκάλυψης θλιβόμενων ράβδων
Το μήκος υπερκάλυψης lo πρέπει να ικανοποιεί την συνθήκη:
l0 ≥ lB (17.4)
17.7.2.4. Εγκάρσιος οπλισμός στην περιοχή υπερκάλυψης κυρίων οπλισμών
Στις περιοχές υπερκαλύψεων κυρίων οπλισμών πρέπει να τοποθετείται εγκάρσιος οπλισμός, ο οποίος παραλαμβάνει τις εγκάρσιες εφελκυστικές δυνάμεις. Ο υπάρχων εγκάρσιος οπλισμός που προβλέπεται για άλλους λόγους (π.χ. οπλισμός διάτμησης, οπλισμός διανομής) συνυπολογίζεται στον εγκάρσιο οπλισμό.
Ο απαιτούμενος εγκάρσιος οπλισμός δίνεται στον Πίνακα 17.6 και διατάσσεται όπως στο Σχήμα 17.5 (γ).
Πίνακας 17.6: Απαιτούμενος εγκάρσιος οπλισμός στην περιοχή υπερκάλυψης κύριων οπλισμών

17.7.3. Κοχλιωτές ενώσεις
Με κοχλίωση επιτρέπεται να ενωθούν όλες οι ράβδοι σε μια διατομή.
Τα μέσα σύνδεσης (αρμοκλείδες), πρέπει να έχουν:
| • | δύναμη διαρροής αντίστοιχη του 1,0 fYKAS και |
| • | δύναμη αντοχής αντίστοιχη του 1,2 fSTAS, όπου: |
fYK, fST, AS, το όριο διαρροής, η εφελκυστική αντοχή και η διατομή της προς σύνδεση ράβδου, αντιστοίχως. Για την επικάλυψη σκυροδέματος και την απόσταση των μέσων σύνδεσης στην περιοχή της ένωσης ισχύουν οι παράγραφοι 17.3 και 17.4, αντιστοίχως όπου καθοριστική είναι η διάμετρος της προς ένωση ράβδου.
Επιτρέπονται διογκώσεις των ενουμένων ράβδων για αύξηση της διατομής πυρήνα, με κλίση συναρμογής 1:3 (Σχήμα Σ 17.7).
Η ολίσθηση στα άκρα της αρμοκλείδας υπό το φορτίο λειτουργίας επιτρέπεται να είναι το πολύ 0,1 mm.
Η διατομή του πυρήνα λαμβάνεται στον υπολογισμό πλήρης για σπειρώματα με εξέλαση ενώ για σπειρώματα με κοπή μόνο με το 80%.
Για επαναλαμβανόμενη φόρτιση απαιτείται πειραματική απόδειξη της αποτελεσματικότητας της σύνδεσης.
17.7.4. Συγκολλητές ενώσεις
Με συγκόλληση επιτρέπεται να ενωθούν όλες οι ράβδοι σε μια διατομή του δομικού στοιχείου.
Οι συγκολλητές ενώσεις πρέπει να γίνονται σύμφωνα με τους κανονισμούς συγκολλήσεων και τα τεύχη έγκρισης των χαλύβων.
17.8. Ειδικές διατάξεις εφελκυόμενων οπλισμών καμπτόμενων στοιχείων
17.8.1. Γενικά
Οι οπλισμοί αυτοί πρέπει να τοποθετούνται έτσι ώστε σε κάθε διατομή να καλύπτεται το μετατοπισμένο διάγραμμα των εφελκυστικών δυνάμεων (παράγραφος 17.8.2).
Σε πλακοδοκούς και κοίλες διατομές τοποθετούνται μέσα στην πλάκα σε ένα πλάτος το πολύ ίσο με το μισό συνεργαζόμενο πλάτος (παράγραφος 8.4). Πρέπει να μένει αρκετό ποσοστό στον κορμό για περιορισμό της ρηγμάτωσης.
17.8.2. Κανόνας μετατόπισης
Η περιβάλλουσα των εφελκυστικών δυνάμεων προκύπτει από οριζόντια μετατόπιση κατά aL της καμπύλης FT = (M/z) + N (η τιμή του al ορίζεται στην παράγραφο 11.2.4).
17.8.3. Αγκυρώσεις εκτός στηρίξεων
Το μήκος αγκύρωσης οπλισμού ευθύγραμμου ή κεκαμμένου που δεν χρησιμοποιείται ως οπλισμός διάτμησης, μετριέται από το θεωρητικό άκρο Ε (Σχήμα Σ. 17.8) και είναι ίσο με α lB (τιμές του α από Σχήμα 17.1, η τιμή του lB από εξίσωση (17.1)).
Σε πλάκες με κλιμακούμενους οπλισμούς μέγιστης διαμέτρου Φ < 16 mm το μήκος αγκύρωσης από το άκρο Ε επιτρέπεται να ληφθεί ίσο με lB,NET (εξίσωση 17.2), όχι όμως μικρότερο από το μήκος α lB που μετριέται από τη θεωρητική αρχή Α (Σχήμα Σ 17.3).
Τα μήκη αγκύρωσης εφελκυόμενων ράβδων που κάμπτονται για να παραλάβουν και τέμνουσες θα πρέπει να είναι τουλάχιστον ίσα με 1,3 lB,NET στις εφελκυόμενες ζώνες και 0,7 lB,NET στις θλιβόμενες ζώνες (lB,NET = μήκος αγκύρωσης σύμφωνα με την παράγραφο 17.6.3).
17.8.4. Αγκύρωση σε ακραίες στηρίξεις
Ι. Για δοκούς χωρίς απαιτήσεις αντισεισμικότητας και για πλάκες.
α) Η αγκύρωση των οπλισμών στις ακραίες στηρίξεις πρέπει να μπορεί να αναλάβει εφελκυστική δύναμη ίση με:
FT = VSD α1/d ≥ 0,5 VSD (17.5)
όπου a1 σύμφωνα με την εξίσωση (11.18).
β) Το μήκος αγκύρωσης για άμεση στήριξη μετριέται από τη γραμμή επαφής με τη στήριξη και είναι ίσο με 2/3 lB,NET. Το μήκος αγκύρωσης για έμμεση στήριξη μετριέται από ένα επίπεδο μέσα στη στήριξη το οποίο απέχει από το σημείο τομής των δύο στοιχείων απόσταση ίση με το 1/3 του πλάτους στήριξης και είναι ίσο με lB,NET. Σε όλες τις περιπτώσεις το άκρον της αγκύρωσης πρέπει να φτάνει τουλάχιστον μέχρι το σημείο της θεωρητικής στήριξης.
ΙΙ. Για δοκούς με απαιτήσεις αντισεισμικότητας, σύμφωνα με τις διατάξεις της παραγράφου 18.3.5.
17.8.5. Αγκύρωση σε ενδιάμεσες στηρίξεις
Όταν σύμφωνα με τις διατάξεις του Κεφαλαίου 18 ορισμένοι οπλισμοί προεκτείνονται σε ενδιάμεσες στηρίξεις ή σε ακραίες στηρίξεις που συνεχίζονται σε πρόβολο, η διαμόρφωση της αγκύρωσης γίνεται ως εξής:
Ι. Για δοκούς χωρίς απαιτήσεις αντισεισμικότητας και για πλάκες, το μήκος αγκύρωσης μετριέται από την παρειά της στήριξης και ισούται με 10Φ (ευθύγραμμη αγκύρωση) ή D (καμπύλη αγκύρωση).
ΙΙ. Για δοκούς με απαιτήσεις αντισεισμικότητας, σύμφωνα με τις διατάξεις της παραγράφου 18.3.5.
17.9. Αγκύρωση οπλισμών διάτμησης
Οι οπλισμοί διάτμησης μπορούν να αποτελούνται από:
| • | κάθετους ή κεκλιμένους προς τον άξονα συνδετήρες (παράγραφος 17.9.1), |
| • | κεκλιμένες ράβδους (παράγραφος 17.9.2), |
| • | από συνδυασμό των παραπάνω. |
17.9.1. Αγκυρώσεις συνδετήρων
Η αγκύρωση των συνδετήρων γίνεται σύμφωνα με το Σχήμα 17.3.

Σχήμα 17.3: Διατάξεις αγκυρώσεων συνδετήρων
Ορθογωνικά άγκιστρα του Σχήματος 17.3 β) επιτρέπονται μόνο σε νευροχάλυβες.
Διατάξεις του Σχήματος 17.3 γ) και δ) επιτρέπονται μόνο όταν δεν προκαλείται διάρρηξη ή αποκόλληση του σκυροδέματος επικάλυψης. Αυτό θεωρείται ότι ικανοποιείται αν η επικάλυψη των συνδετήρων στην περιοχή αγκύρωσης είναι τουλάχιστον 50 mm.
Το κλείσιμο των συνδετήρων σε στοιχεία χωρίς απαιτήσεις αντισεισμικότητας, γίνεται στην μεν εφελκυόμενη ζώνη σύμφωνα με το Σχήμα 17.4 στην δε θλιβόμενη ζώνη σύμφωνα με το Σχήμα 17.5.
Σε πλακοδοκούς επιτρέπεται να γίνεται με συνεχείς εγκάρσιες ράβδους σύμφωνα με το Σχήμα 17.6.
Για δοκούς, πλακοδοκούς και υποστυλώματα με απαιτήσεις αντισεισμικότητας, το κλείσιμο των συνδετήρων πρέπει να γίνεται σύμφωνα με το Σχήμα 17.5 (α) και για τη θλιβόμενη και για την εφελκυόμενη ζώνη, με μήκος αγκίστρου 10Φ.

Σχήμα 17.4: Κλείσιμο συνδετήρων στην εφελκυόμενη ζώνη

Σχήμα 17.5: Κλείσιμο συνδετήρων στην θλιβόμενη ζώνη

Σχήμα 17.6: Κλείσιμο συνδετήρων στην περιοχή της πλάκας (επιτρέπεται και στην εφελκυόμενη και στην θλιβόμενη ζώνη)
17.9.2. Αγκυρώσεις κεκλιμένων ράβδων
Για την αγκύρωση των κεκλιμένων ράβδων ισχύει η τελευταία παράγραφος της παραγράφου 17.8.3. Οι κεκλιμένες ράβδοι πρέπει να κατανέμονται ομοιόμορφα στην εγκάρσια διεύθυνση.
17.10. Συμπληρωματικοί κανόνες για τένοντες προέντασης
17.10.1. Ταυτόχρονη χρησιμοποίηση διαφόρων ειδών χαλύβων
Η ταυτόχρονη χρησιμοποίηση συνήθων χαλύβων και χαλύβων προέντασης επιτρέπεται σύμφωνα με την παράγραφο 17.2.2.
17.10.2. Διάταξη τενόντων προέντασης
17.10.2.1. Ελάχιστος αριθμός τενόντων προέντασης.
α) Ο ελάχιστος επιτρεπόμενος αριθμός των τενόντων στην προθλιβόμενη εφελκυόμενη ζώνη φερόντων προεντεταμένων στοιχείων είναι 3.
Όταν χρησιμοποιούνται καλώδια αποτελούμενα από δέσμες ράβδων, συρμάτων ή συρματόσχοινων, μπορεί να υπάρχει μόνον ένα καλώδιο στην προθλιβόμενη εφελκυόμενη ζώνη, υπό τον όρο ότι το καλώδιο αποτελείται από 7 τουλάχιστον ράβδους ή σύρματα.
Πίνακας 17.7: Ελάχιστο πλήθος ράβδων, συρμάτων και καλωδίων στην προθλιβόμενη εφελκυόμενη ζώνη μεμονωμένου δομικού στοιχείου.
Μεμονωμένες ράβδοι και σύρματα
|
3
|
Ράβδοι και σύρματα που αποτελούν τένοντα ή συρματόσχοινο
|
7
|
Τένοντες πλην συρματόσχοινων
|
4
|
Οι τιμές αυτές ισχύουν όταν οι διάμετροι των ράβδων ή συρμάτων είναι ίδιες. Όταν οι διάμετροι είναι διαφορετικές ο έλεγχος γίνεται σύμφωνα με τα παρακάτω.
β) Αν ο αριθμός των τενόντων ή ο συνολικός αριθμός των ράβδων, συρμάτων ή συρματόσχοινων της δέσμης είναι μικρότερος του 3 ή 7, αντιστοίχως τότε πρέπει να ελέγχεται (λαμβάνοντας YF = 1,0 και YM = 1,0) ότι η ασφάλεια έναν τι οριακών καταστάσεων αστοχίας εξασφαλίζεται ακόμη και όταν ένας τένοντας ή τρεις ράβδοι, σύρματα ή συρματόσχοινα μιας δέσμης αστοχήσουν. Για τον έλεγχο αυτό μπορούν να ληφθούν υπόψη ανακατανομές λόγω μεταβολής του στατικού συστήματος εξ αιτίας εγκάρσιας μεταβίβασης σε συνεργαζόμενα γειτονικά στοιχεία, ή εξαιτίας του υπάρχοντος οπλισμού σιδηροπαγούς σκυροδέματος. Για τένοντες ή σύρματα διαφορετικής διαμέτρου πρέπει να θεωρείται ότι αστοχούν εκείνα με τη μεγαλύτερη διατομή.
17.10.2.2. Οριζόντιες και κατακόρυφες ελεύθερες αποστάσεις μεταξύ τενόντων.
α. Προένταση μετά από τη σκλήρυνση του σκυροδέματος.
Ο σχηματισμός ομάδων (δέσμης) σωλήνων πρέπει γενικώς να αποφεύγεται.
Ζεύγος σωλήνων, οι οποίοι είναι τοποθετημένοι κατακορύφως ο ένας πάνω από τον άλλον, μπορεί να χρησιμοποιηθεί υπό τον όρο ότι λαμβάνονται τα αναγκαία μέτρα κατά την τάνυση και κατά την εφαρμογή των τσιμεντενεμάτων.
Οι ελάχιστες οριζόντιες και κατακόρυφες ελεύθερες αποστάσεις μεταξύ μεμονωμένων τενόντων δίδονται ως εξής:
| • | οριζόντια: ≥ ΦΣΩΛ ή 40 mm |
| • | κατακόρυφη: ≥ ΦΣΩΛ ή 50 mm |
όπου ΦΣΩΛ η διάμετρος του σωλήνα
Ο πιο πάνω περιορισμός για την οριζόντια απόσταση ισχύει και για ζεύγη τενόντων.
β. Προένταση πριν από τη διάστρωση του σκυροδέματος.
Σε αυτή την περίπτωση, ο σχηματισμός ομάδων τενόντων απαγορεύεται.
Οι ελάχιστες οριζόντιες και κατακόρυφες ελεύθερες αποστάσεις μεταξύ μεμονωμένων τενόντων δίδονται στο Σχήμα 17.7.

Σχήμα 17.7: Ελάχιστες αποστάσεις τενόντων
(Φ = εξωτερική διάμετρος σωλήνων ράβδων και συρμάτων)
17.10.2.3. Επικάλυψη
α. Προένταση μετά την σκλήρυνση του σκυροδέματος
Το ελάχιστο πάχος σκυροδέματος μεταξύ μιας εξωτερικής παρειάς κι ενός σωλήνα ή μιας δέσμης σωλήνων θα πρέπει αφενός μεν να είναι τουλάχιστον ίσο με τις ονομαστικές τιμές που δίνονται στην παράγραφο 5.1 και στην παράγραφο 17.5 αφ' ετέρου δε να μην είναι μικρότερο από τις τιμές του Σχήματος 17.8.

Σχήμα 17.8: Επικαλύψεις στην περίπτωση προέντασης μετά τη σκλήρυνση του σκυροδέματος
β. Προένταση πριν από τη διάστρωση του σκυροδέματος
Η ελάχιστη επικάλυψη πρέπει να συμφωνεί με την παράγραφο 5.1 και 17.5 αλλά δεν μπορεί να είναι μικρότερη από 20 mm ή 2 Φ. Όταν χρησιμοποιούνται σύρματα νευροχαλύβων CMIN = 3 Φ.
17.10.2.4. Επιτρεπόμενες ακτίνες καμπυλότητα
Οι καμπυλότητες θα πρέπει να είναι τέτοιες ώστε οι αναπτυσσόμενες κατά την προένταση δυνάμεις εκτροπής να μην προκαλούν θραύση λόγω σύνθλιψης ή διάρρηξη του σκυροδέματος.
17.10.3. Αγκύρωση τενόντων προέντασης και διάταξη αρμοκλείδων
Οι διατάξεις αγκυρώσεως, σε περίπτωση τενόντων που προεντείνονται μετά από την σκλήρυνση του σκυροδέματος, ή το μήκος αγκύρωσης σε περίπτωση που προεντείνονται πριν από την έγχυση του σκυροδέματος, πρέπει να εξασφαλίζουν την ανάπτυξη ολόκληρης της αντοχής σχεδιασμού των τενόντων.
Ο έλεγχος των τοπικών θλιπτικών φαινομένων στο σκυρόδεμα και ο υπολογισμός του αντίστοιχου κατάλληλου οπλισμού πρέπει να γίνονται με βάση κατάλληλες μεθόδους των οποίων η αξιοπιστία πρέπει να αποδεικνύεται με αναφορά σε πειραματικά αποτελέσματα.
Αν χρησιμοποιούνται αρμοκλείδες πρέπει να τοποθετούνται έτσι ώστε να επιτυγχάνονται οι απαιτούμενες αντοχές σε όλες τις διατομές και να μπορούν να πραγματοποιούνται επιτυχώς οι αγκυρώσεις που καθορίζονται πιο πάνω.
Γενικώς, οι αρμοκλείδες πρέπει να τοποθετούνται μακράν ενδιάμεσων στηρίξεων. Επίσης, πρέπει να αποφεύγεται η επέκταση μέσω αρμοκλείδων περισσότερων από το 50% των τενόντων σε μία διατομή.
17.11. Κανόνας για τους οπλισμούς συρραφής σε αρμούς διακοπής σκυροδέτησης
Οι εσωτερικές επίπεδες επιφάνειες του σκυροδέματος που καταπονούνται από διατμητικές δυνάμεις και για τις οποίες δεν προβλέπονται ειδικοί έλεγχοι, πρέπει να διασχίζονται από κατάλληλους οπλισμούς οι οποίοι να αγκυρώνονται και στις δύο πλευρές αυτών των επιφανειών. Οι οπλισμοί αυτοί πρέπει να σχηματίζουν με τις επιφάνειες αυτές γωνία 45-90°.
Στις επιφάνειες αυτές η τιμή της δύναμης ολίσθησης σχεδιασμού ανά μονάδα μήκους πρέπει να επαληθεύει τη σχέση:
VSD ≤ (AS/S) fYD (1 + cot(α)) sin(α) (17.6)
όπου:
AS = το άθροισμα των διατομών των οπλισμών που σχηματίζουν στρώση οπλισμού συρραφής.
S = η απόσταση μεταξύ των οπλισμών συρραφής, μετρούμενη παράλληλα προς την υπόψη επίπεδη επιφάνεια.
fYD = η τιμή σχεδιασμού του ορίου διαρροής του οπλισμού συρραφής.
α = η γωνία του οπλισμού με την υπόψη επίπεδη επιφάνεια.
17.12. Συμπληρωματικοί κανόνες για δέσμες ράβδων
17.12.1. Ισοδύναμη διάμετρος, επικάλυψη, αποστάσεις ράβδων
Δέσμες ράβδων επιτρέπονται για ράβδους με Φ ≤ 28 mm και μόνο για ράβδους υψηλής συνάφειας. Οι ράβδοι μιας δέσμης πρέπει να έχουν ίδια διάμετρο και χαρακτηριστικά.
Για τη μελέτη οι δέσμες αντικαθίστανται από μια ιδεατή ράβδο, η οποία έχει την ίδια διατομή με τη δέσμη, το ίδιο κέντρο βάρους και μια ισοδύναμη διάμετρο ΦN που ορίζεται από τη σχέση:
ΦN = Φ (n)^(1/2) (17.7)
Ο αριθμός των ράβδων μιας δέσμης περιορίζεται σε:
n ≤ 4 για κατακόρυφες θλιβόμενες ράβδους και για ράβδους μιας ένωσης με υπερκάλυψη.
n ≤ 3 για όλες τις άλλες περιπτώσεις.
Δεν επιτρέπονται διατάξεις τριών ή περισσότερων ράβδων εν σειρά.
Για τον υπολογισμό της ελάχιστης επικάλυψης σκυροδέματος και των αποστάσεων των ράβδων λαμβάνεται υπόψη η ισοδύναμη διάμετρος ΦN. Η επικάλυψη και οι αποστάσεις πρέπει να μετρηθούν από την πραγματική εξωτερική περίμετρο της δέσμης των ράβδων.
17.12.2. Αγκυρώσεις και ενώσεις
Αγκυρώσεις και ενώσεις με υπερκάλυψη δεσμών πραγματοποιούνται με την αγκύρωση και υπερκάλυψη των μεμονωμένων ράβδων.
Οι αγκυρώσεις των ράβδων μιας δέσμης δεν μπορούν να είναι παρά μόνο ευθύγραμμες και οι μεμονωμένες ράβδοι πρέπει να τελειώνουν κατά αποστάσεις. Για δέσμες 2, 3 ή 4 ράβδων οι αποστάσεις αυτές θα πρέπει να είναι αντίστοιχα 1,2, 1,3 και 1,4 φορές το μήκος αγκύρωσης των μεμονωμένων ράβδων. Οι ράβδοι μιας δέσμης πρέπει να επικαλύπτονται μια προς μια. Οι μεμονωμένες επικαλύψεις των ράβδων μιας δέσμης πρέπει να απέχουν μεταξύ τους. Οι ελάχιστες αποστάσεις δίνονται από την προηγούμενη παράγραφο. Σε καμιά διατομή η δέσμη δεν μπορεί να αποτελείται από περισσότερες από 4 ράβδους.