| Συνδεθείτε στην Υπηρεσία Νομοσκόπιο | | | | | Νέοι χρήστες | | Εάν είστε νέος χρήστης, θα πρέπει να δημιουργήσετε ένα ΔΩΡΕΑΝ λογαριασμό προκειμένου να φύγει το παράθυρο αυτό και να αποκτήσετε πλήρη πρόσβαση στην υπηρεσία Νομοσκόπιο. | | Δημιουργία νέου λογαριασμού | | |
1. Γενικά - Ορισμοί - Μορφές - Πεδίο εφαρμογής
(1) Το κεφάλαιο αυτό πραγματεύεται βασικές αρχές σχεδιασμού γεφυρών σήμανσης. Με τον όρο γέφυρα σήμανσης νοείται φέρουσα κατασκευή πάνω από το χώρο κυκλοφορίας από την οποία αναρτώνται πινακίδες οπισθοανακλαστικές ή μεταβλητής ένδειξης, καθώς και σηματοδότες σε περιοχές κυρίως εντός σχεδίου πόλεων κ.λ.π.
(2) Οι βασικές μορφές γεφυρών είναι Π, Γ, Τ και συνδυασμοί αυτών.
(3) Η χρήση γεφυρών σήμανσης συνιστάται στις παρακάτω περιπτώσεις:
| • | Όταν ο κυκλοφοριακός φόρτος της οδού εγγίζει τα όρια της κυκλοφοριακής ικανότητος |
| • | Όταν υπάρχουν δύο ή περισσότερες λωρίδες κυκλοφορίας ανά κατεύθυνση |
| • | Όταν υπάρχει μεγάλο ποσοστό βαρέων οχημάτων |
| • | Όταν δεν υπάρχει διαθέσιμος πλευρικός χώρος για τοποθέτηση πλευρικών πινακίδων |
2. Υλικά κατασκευής
2.1. Μεταλλικά τμήματα
(1) Τα μεταλλικά μέρη της γέφυρας θα κατασκευάζονται είτε από χάλυβα, είτε από κράματα αλουμινίου, κατά την απόλυτη κρίση του Κυρίου του Έργου.
(2) Για τον χάλυβα θα χρησιμοποιούνται αποκλειστικά οι παρακάτω αναγραφόμενες ποιότητες σύμφωνα με το DIN EN 10025:
Ονομασία κατά DIN EN 10025
|
Παλαιότερη ονομασία
|
S 235 JR
|
St 37-2
|
S 235 JR G1
|
U St 37-2
|
S 235 JR G2
|
R St 37-2
|
S235 JO
|
St 37-3U
|
S 235 J2 G3
|
St 37-3N
|
S 355 JO
|
St 52-3U
|
S 355 J2 G3
|
St 52-3N
|
(3) Για το αλουμίνιο θα χρησιμοποιούνται αποκλειστικά οι παρακάτω ποιότητες σύμφωνα με το DIN 1725 Μέρος 1:
(4) Για την πλάκα έδρασης των ορθοστατών γεφυρών από κράματα αλουμινίου θα χρησιμοποιείται αποκλειστικά ποιότητα Al Mg 4,5 Mn -F27.
(5) Θα χρησιμοποιούνται επιψευδαργυρωμένοι κοχλίες ή κοχλίες από ανοξείδωτο χάλυβα Α4-70 κατά DINISO 3506
Για τους κοχλίες αγκύρωσης στη βάση της γέφυρας, θα χρησιμοποιούνται αποκλειστικά επιψευδαργυρωμένοι κοχλίες ποιότητος 5.6 κατά DIN 267 - Μέρος 3.
2.2. Βάθρα - θεμέλια
(1) Τα βάθρα θα κατασκευάζονται από σκυρόδεμα Β35
(2) Τα θεμέλια θα κατασκευάζονται από σκυρόδεμα Β25
(3) Το σκυρόδεμα καθαριότητος θα είναι Β10
3. Αποστάσεις
3.1. Πλευρικές αποστάσεις
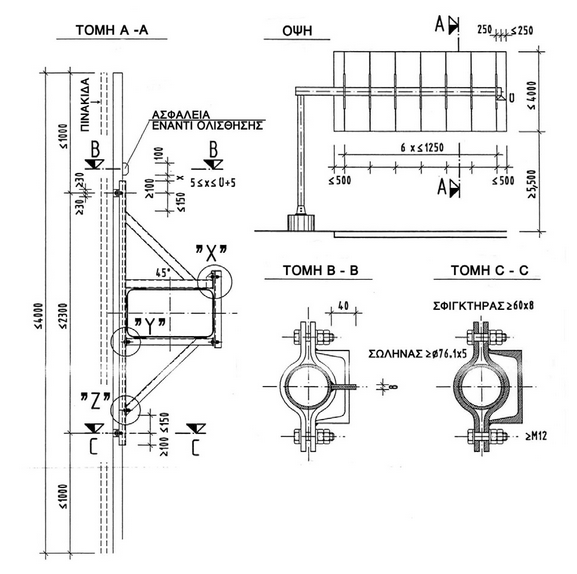
Η απόσταση μεταξύ των εμπρόσθιων επιφανειών του ορθοστάτη και του παρακειμένου χαλύβδινου στηθαίου πρέπει να είναι τουλάχιστον 1,0 m (βλέπε σχήμα 6.3.1). Για τα απαιτούμενα μέτρα ασφαλείας σε σχέση με την απόσταση του ορθοστάτη από το παρακείμενο στηθαίο ασφαλείας, βλέπε παράγραφο 5.7.
3.2. Ελεύθερο ύψος
Το ελεύθερο ελάχιστο ύψος μεταξύ της κάτω παρειάς της πινακίδας / σηματοδότη και της επιφανείας του σταθεροποιημένου οδοστρώματος πρέπει να είναι τουλάχιστον 5,50 m (βλέπε επίσης σχήμα 6.3.1).

Σχήμα 6.3.1
4. Βασικές αρχές σχεδιασμού
4.1. Γενικά
(1) Κατά την εκπόνηση της μελέτης πρέπει να δίνεται ιδιαίτερη προσοχή, έτσι ώστε η όλη κατασκευή να είναι απλή στον έλεγχο και εύκολη στη συντήρηση.
(1) Για τη διαμόρφωση των γεφυρών θα χρησιμοποιούνται κοίλες διατομές ή σύνθετα δομικά στοιχεία κοίλης διατομής. Οι αιχμηρές ακμές θα στρογγυλεύονται με r = 50 mm.
(2) Σημειώνεται ότι δεν επιτρέπεται η χρήση δικτυωμάτων.
(3) Ο σχεδιασμός της γέφυρας θα πρέπει να γίνεται κατά τρόπο ώστε να είναι δυνατή η αντικατάσταση φερόντων στοιχείων της για οποιαδήποτε αιτία.
(4) Κατά τον καθορισμό της μορφής του φορέα θα πρέπει να λαμβάνονται υπόψη κατασκευαστικά οι έντονα εναλλασσόμενες τάσεις λόγω ανέμου. Ο σχεδιασμός θα πρέπει να είναι τέτοιος που να διατηρεί σε χαμηλά επίπεδα την ανάπτυξη τοπικών μεγίστων τάσεων.
(5) Στα ζυγώματα των πλαισίων Π καθώς και στους προβόλους των γεφυρών Γ και Τ θα εφαρμόζεται αρνητικό βέλος.
(2) Γωνίες ανοιγμάτων σε ελάσματα γεφυρών θα στρογγυλεύονται με ακτίνα τουλάχιστον 30 mm (βλέπε σχήμα 6.4.4)α).
(3) To ελάχιστο πάχος ελασμάτων τα οποία χρησιμοποιούνται για κατασκευή γεφυρών σήμανσης είτε από χάλυβα είτε από αλουμίνιο, ανέρχεται σε 6 mm. Για ελάσματα από χάλυβα θα ισχύει η αναλογία b/t ≤ 70.
(4) Τα στοιχεία ακαμψίας και ενίσχυσης πρέπει κατά το δυνατόν να τοποθετούνται εσωτερικά. Τμηματικές αλλαγές πάχους δομικού στοιχείου θα γίνονται εσωτερικά.
(5) Στα χαμηλότερα σημεία, καθώς και στο μέσον και στα άκρα του ζυγώματος γέφυρας μορφής Π, θα διατάσσονται οπές διαμέτρου 30 mm για την αποστράγγιση (βλέπε σχήματα 6.5.1.(4)α και β). Για τη στάλαξη των σταγόνων θα προβλέπονται τεμάχια σωλήνων που προεξέχουν της επιφανείας του δομικού στοιχείου κατά 15 mm. Στον πόδα των ορθοστατών θα διατάσσονται 2 οπές για αποστράγγιση (βλέπε σχήμα 6.4.2.(3)). Πάνω από τις θυρίδες που εξυπηρετούν τον έλεγχο και τη συντήρηση θα προβλέπονται ελάσματα αποστράγγισης (βλέπε σχήματα 6.4.4)α, β και γ).
(6) Δεν επιτρέπονται εργοταξιακές ή διακεκομμένες ραφές συγκόλλησης.
(7) Για τη συναρμολόγηση ορθοστατών και ζυγώματος στο εργοτάξιο πρέπει να χρησιμοποιούνται κοχλίες ως στοιχεία σύνδεσης.
(8) Ραφές συγκόλλησης συνδεδεμένων τμημάτων πρέπει κατά το δυνατόν να εκτείνονται περιμετρικά.
(9) Ο αριθμός των ραφών εγκάρσια προς τη ροή των τάσεων πρέπει να είναι περιορισμένος.
(10) Οι εγκοπές πρέπει να λειαίνονται.
(11) Το χρώμα του μεταλλικού μέρους της γέφυρας θα είναι αλαμπές (περίπου το χρώμα γαλβανισμένης επιφανείας), εκτός αν ορισθεί διαφορετικά από τον Κυρίου του Έργου.
4.2. Έδραση - αγκύρωση της γέφυρας
(1) Το επίπεδο έδρασης / αγκύρωσης του ορθοστάτη της γέφυρας (εφόσον δεν προβλέπεται η κατασκευή βάθρου) θα ευρίσκεται τουλάχιστον 25 cm ψηλότερα από το περιβάλλον έδαφος (βλέπε σχήμα 6.5.7.(1).α).
(2) Θα χρησιμοποιούνται διατάξεις αγκύρωσης οι οποίες θα προκατασκευάζονται και θα ενσωματώνονται κατά τη σκυροδέτηση του βάθρου. Τα περικόχλια της αγκύρωσης πρέπει να εξασφαλίζονται έναντι χαλάρωσης με περικόχλια ασφαλείας. Η όλη σύνδεση θα καλύπτεται με πλαστικό κάλυμμα και θα προστατεύεται με αντιδιαβρωτικό υλικό (π.χ. γράσο) (βλέπε σχήμα 6.4.2.(2)).
(3) Ο αρμός μεταξύ πλάκας έδρασης και του θεμέλιου θα πληρούται με αδιάβροχο μη συρρικνούμενο συνθετικό κονίαμα (απαιτείται πιστοποιητικό) πάχους τουλάχιστον 3 cm (βλέπε σχήμα 6.4.2.(3)).
(4) Όταν το περιθώριο των οπών των αγκυρίων έδρασης είναι μεγαλύτερο από 2 mm, πρέπει να τοποθετούνται πρόσθετοι διατμητικοί σύνδεσμοι με τη μορφή πρότυπων διατομών συγκολλημένων στην κάτω παρειά της πλάκας έδρασης του στύλου (βλέπε σχήματα 6.4.2.(2) και (3)).

Σχήμα 6.4.2.(2)

Σχήμα 6.4.2.(3)
4.3. Διατάξεις στερέωσης πινακίδων - σηματοδοτών
(1) Οι διατάξεις στήριξης των πινακίδων / σηματοδοτών πρέπει να διαμορφώνονται σαν πλαίσια με μικρές παραμορφώσεις. Η στερέωσή τους στη φέρουσα κατασκευή δεν επιτρέπεται να γίνεται με μόνιμη κοχλίωση ή συγκόλληση, ώστε να είναι δυνατή ενδεχόμενη μελλοντική αλλαγή.
(2) Για την ακριβή μεταβίβαση του φορτίου θα προβλέπονται μεταξύ ζυγώματος και διάταξης στερέωσης πινακίδων ελαστομερή παρεμβλήματα ώστε να είναι δυνατή η ανάληψη οριζοντίων μετακινήσεων λόγω παραμορφώσεων του ζυγώματος χωρίς υπέρ-καταπονήσεις μερών της κατασκευής και βλάβη της αντιδιαβρωτικής προστασίας.
(3) Όλοι οι κοχλίες θα εξασφαλίζονται έναντι χαλάρωσης.
Στα σχήματα 6.4.3.(3)α και β δίνεται παράδειγμα διάταξης στερέωσης πινακίδων.

Σχήμα 6.4.3.(3)α

Σχήμα 6.4.3.(3)β
4.4. Σύνδεση ζυγώματος και ορθοστάτη
Οι κοχλίες στη σύνδεση ζυγώματος και ορθοστάτη πρέπει να διατάσσονται έτσι ώστε να είναι προσιτοί και να παρέχεται δυνατότητα ελέγχου κατά τις επιθεωρήσεις της κατασκευής (Βλέπε σχήματα 6.4.4)α, β και γ).

Σχήμα 6.4.4)α

Σχήμα 6.4.4)β

Σχήμα 6.4.4)γ
4.5. Αντιδιαβρωτική προστασία
(1) Η αντιδιαβρωτική προστασία των χαλύβδινων στοιχείων πρέπει να γίνεται σύμφωνα με τις διατάξεις ΖΤV-KOR.
(2) Ο Κύριος του Έργου θα καθορίζει εάν οι προστατευτικές επιστρώσεις βαφής θα γίνονται εξ ολοκλήρου στο εργοστάσιο ή εάν η τελευταία επιφανειακή επίστρωση βαφής επιτρέπεται να γίνει στο εργοτάξιο.
(3) Εάν οι προστατευτικές επιστρώσεις μπορούν να γίνουν μετά από τη συναρμολόγηση της γέφυρας στο εργοτάξιο, πρέπει να προτιμάται η χρήση προστατευτικού συστήματος σύμφωνα με τις διατάξεις ZTV - KOR, παράρτημα 1, πίνακας 1.1, αριθμός δομικού στοιχείου 6.1, σειρά 1. Εάν η αντιδιαβρωτική προστασία γίνεται στο εργοστάσιο, πρέπει να χρησιμοποιείται προστατευτικό σύστημα σύμφωνα τη σειρά 2.
(4) Οι επιφάνειες των στοιχείων πρέπει να διαμορφώνονται κατά τρόπο ώστε η απορροή των νερών να γίνεται κατά τρόπο ανεμπόδιστο.
(5) Τα χαλύβδινα στοιχεία πρέπει να επιψευδαργυρώνονται εν θερμώ σύμφωνα με το DIN 50976 και να επιστρώνονται επιπρόσθετα εξωτερικά σύμφωνα με τις διατάξεις ZTV - KOR.
(6) Τα ανοίγματα για την επιψευδαργύρωση πρέπει κατά το δυνατόν να είναι έτσι διατεταγμένα, ώστε στην κατάσταση λειτουργίας να εξασφαλίζουν την αποστράγγιση των χαμηλών σημείων.
(7) Όλα τα διαφράγματα και τα ελάσματα ακαμψίας πρέπει να διατάσσονται έτσι, ώστε να επιτυγχάνεται κανονικά η επιψευδαργύρωση και των εσωτερικών επιφανειών κατά την εμβάπτιση του στοιχείου στο λουτρό ψευδαργύρου.
(8) Όλα τα ελαττωματικά σημεία της επιψευδαργύρωσης, ειδικά στις περιοχές των ραφών συγκόλλησης, πρέπει να επιδιορθώνονται με ψεκασμό ψευδαργύρου εν θερμώ, σύμφωνα με το DIN 8565. Το απαιτούμενο πάχος στρώσης είναι 100 μm. Κατά την εργασία αυτή, οι παρακείμενες επιφάνειες πρέπει να προστατεύονται με επικάλυψη.
(9) Όλες οι κοχλιωτές συνδέσεις πρέπει να προβλέπονται με δακτυλίους για την προστασία της επίστρωσης.
(10) Φθορές των επιστρώσεων πρέπει να διορθώνονται με το ίδιο υλικό.
(11) Εάν δεν είναι δυνατόν να προετοιμασθεί με την κατάλληλη επεξεργασία η επιφάνεια, τότε πρέπει να προσκομισθεί αποδεικτικό επαρκούς επικόλλησης της επίστρωσης επί επιψευδαργυρωμένων εν θερμώ επιφανειών σύμφωνα με την παράγραφο 7.2.7 των Πρόσθετων συμβατικών όρων για την εγκατάσταση ηχοπροστατευτικών πετασμάτων σε οδούς (ZTV-LSW) (έλεγχος καταλληλότητας σύμφωνα με την παράγραφο 8.2.1 ZTV - KOR).
(12) Φορείς από αλουμίνιο πρέπει να επιστρώνονται στο κατώτερο τμήμα των ορθοστατών, 2,0 m πάνω από το παρακείμενο κυκλοφορούμενο οδόστρωμα. Η επιφάνεια πρέπει να προετοιμάζεται. Η επίστρωση θα γίνεται σύμφωνα με τούς κανονισμούς ΖΤV-KOR αναλογικά με τις επιψευδαργυρωμένες επιφάνειες. Απαιτούνται τουλάχιστον δύο στρώσεις πάχους 80 μm η κάθε μία.
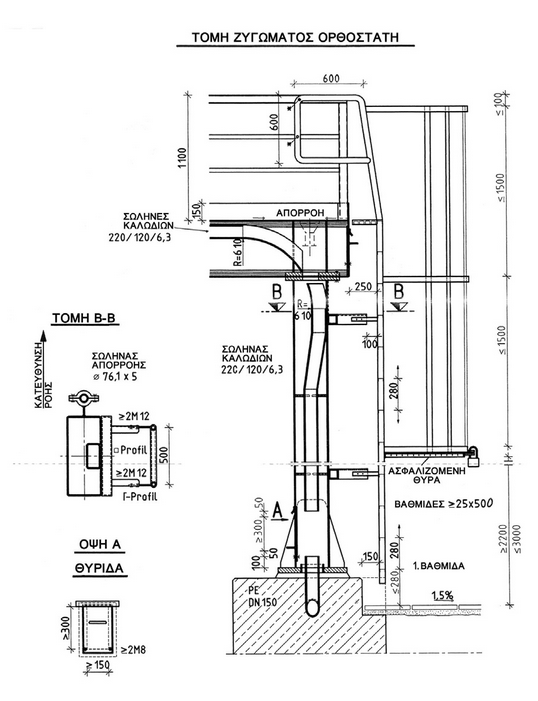
4.6. Όδευση καλωδίων
(1) Θα πρέπει να σταθμίζεται εκ των προτέρων αν σε όλα τα ζυγώματα και τους ορθοστάτες θα προβλεφθούν κενοί σωλήνες για τη διέλευση καλωδίων με σκοπό την εξυπηρέτηση μελλοντικού εξοπλισμού.
(2) Στην περίπτωση που προβλέπονται αγωγοί για όδευση καλωδίων ισχύουν οι ακόλουθοι κανόνες:
| • | Οι κενοί σωλήνες στο θεμέλιο η στο βάθρο θα περατώνονται τουλάχιστον 50 mm πάνω από την πλάκα έδρασης. |
| • | Η πλευρική είσοδος στο θεμέλιο η στο βάθρο πρέπει να είναι στεγανή. |
(3) Στα εγκάρσια διαφράγματα και ελάσματα ακαμψίας πρέπει να προβλέπονται ανοίγματα έτσι ώστε να επιτυγχάνεται η διέλευση των κενών σωλήνων χωρίς τοπικές κάμψεις.
(4) Στην περιοχή σύνδεσης του ορθοστάτη με το ζύγωμα πρέπει να διατάσσονται τα ανοίγματα επιθεώρησης με τέτοιο τρόπο ώστε να είναι δυνατή η απρόσκοπτη διέλευση των καλωδίων.
4.7. Κατακόρυφες κλίμακες
Στην περίπτωση που προβλέπονται κατακόρυφες κλίμακες ισχύουν οι ακόλουθοι κανόνες:
| • | Οι κλίμακες πρέπει να στερεώνονται στους ορθοστάτες των γεφυρών σήμανσης. |
| • | Κατά κανόνα οι κλίμακες πρέπει να τοποθετούνται στην παρειά του ορθοστάτη προς την εξωτερική πλευρά του οδοστρώματος. |
| • | Οι χειρολισθήρες της κλίμακας θα είναι σωλήνες, κλειστοί επάνω και ανοιχτοί κάτω. Η μεταξύ τους αξονική απόσταση πρέπει να είναι ίση τουλάχιστον με 500 mm. |
| • | Για την αποτροπή ανόδου στη γέφυρα σήμανσης αναρμόδιων ατόμων, θα υπάρχει, σε ύψος 3,0 m από το περιβάλλον έδαφος, κατάλληλα διαμορφωμένη θυρίδα η οποία θα ασφαλίζεται. |
| • | Στην περιοχή εξόδου προς το διάδρομο επιθεώρησης, για την ασφαλή άνοδο και κάθοδο του προσωπικού, οι χειρολισθήρες θα φθάνουν μέχρι το ύψος των κιγκλιδωμάτων του διαδρόμου, διαμορφούμενοι κατάλληλα και συνδεόμενοι με αυτά. |
| • | Η ελαχίστη ελεύθερη απόσταση μεταξύ του ορθοστάτη και των βαθμίδων πρέπει να είναι τουλάχιστον 150 mm στη στενότερη θέση. |
| • | Οι κατακόρυφες αποστάσεις μεταξύ των βαθμίδων δεν επιτρέπεται να υπερβαίνουν τα 280 mm. Η απόσταση μεταξύ της υψηλότερης βαθμίδας και του επιπέδου εξόδου δεν πρέπει να είναι μεγαλύτερη από 150 mm. |
| • | Οι βαθμίδες θα έχουν πλάτος τουλάχιστον 25 mm (βλέπε σχήμα 6.4.7) |
4.8. Διάδρομοι επιθεώρησης
(1) Όλες οι γέφυρες σήμανσης στις οποίες οι εργασίες επιθεώρησης και συντήρησης μπορούν να διεκπεραιωθούν μόνο με αποκλεισμό της κυκλοφορίας ή οι γέφυρες οδών με υψηλό κυκλοφοριακό φόρτο ή με αυξημένο κίνδυνο ατυχημάτων και / ή με περισσότερες από δύο λωρίδες κυκλοφορίας ανά κλάδο, θα εφοδιάζονται με διαδρόμους επίσκεψης.
Ανεξάρτητα από τα παραπάνω, πρέπει κατά κανόνα οι γέφυρες σήμανσης που φέρουν εγκαταστάσεις ελέγχου κυκλοφορίας να εξοπλίζονται με διαδρόμους επίσκεψης. Στα σχήματα 6.4.8)α, β και γ δίνονται βασικά στοιχεία διαδρόμων επίσκεψης γεφυρών σήμανσης, τόσο με οπισθοανακλαστικές πινακίδες όσο και με πινακίδες μεταβλητών ενδείξεων.
(2) Κατά κανόνα, δεν προβλέπονται διάδρομοι επίσκεψης σε γέφυρες σήμανσης με λεπτά ζυγώματα ή σε γέφυρες με προβόλους.
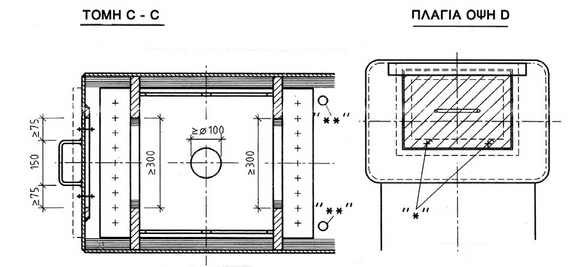
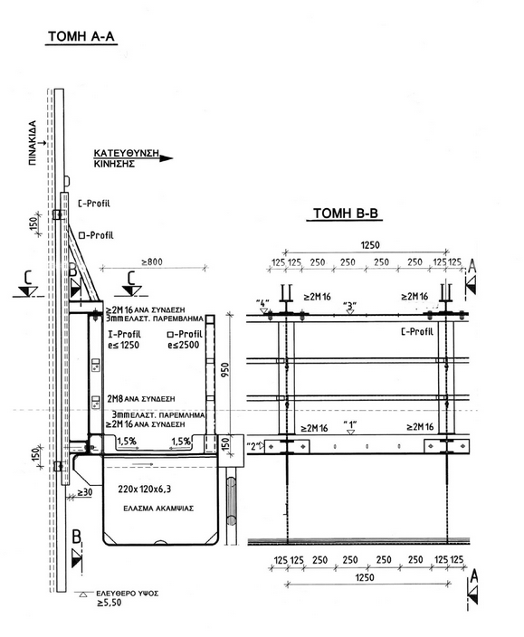
(3) Το ελεύθερο πλάτος του διαδρόμου δεν πρέπει να είναι μικρότερο από 800 mm. Προκειμένου να εμποδίζεται η πτώση μικροαντικειμένων και εργαλείων, πρέπει στο δάπεδο των διαδρόμων επίσκεψης να προβλέπεται κατάλληλο πλέγμα, κατά DIN 24537, με μικρούς βρόγχους (διαστάσεις βρόχων 10 x 10 mm) και περιμετρικό παραπέτο ύψους 15 cm (βλέπε σχήμα 6.4.8)β).
(4) Στην αρχή του διαδρόμου επίσκεψης πρέπει να αναγράφεται κατά τρόπο ευκρινή και μόνιμο το μέγιστο επιτρεπόμενο φορτίο.
(5) Εάν υπάρχει η δυνατότητα να χρησιμοποιηθεί το ίδιο ζύγωμα ως διάδρομος επίσκεψης, πρέπει να προβλέπεται αντιολισθηρή επίστρωσή του. Σημειώνεται ότι διάδρομος επίσκεψης μπορεί να διαταχθεί και κάτω από το επίπεδο του ζυγώματος (βλέπε επίσης σχήμα 6.4.8)β).
(6) Οι διάδρομοι επίσκεψης πρέπει να διατάσσονται κατά τέτοιο τρόπο ώστε τα στοιχεία στερέωσης και η κατασκευή της γέφυρας σήμανσης να είναι προσιτά, χωρίς να απαιτούνται αλλά βοηθητικά μέσα.
(7) Η βατή επιφάνεια του διαδρόμου πρέπει να εξασφαλίζεται από όλες τις πλευρές με κιγκλίδωμα, εφόσον η υπάρχουσα κατασκευή δεν παρέχει προστασία στον ίδιο βαθμό με το κιγκλίδωμα.
(8) Το κιγκλίδωμα πρέπει να υποδιαιρείται καθ ύψος με δύο ενδιάμεσες οριζόντιες δοκούς. Το ύψος του κιγκλιδώματος θα ανέρχεται σε 1,10 m πάνω από τη βατή επιφάνεια.

Σχήμα 6.4.7

Σχήμα 6.4.8)α

Σχήμα 6.4.8)β


Σχήμα 6.4.8)γ
5. Παραδοχές φορτίων
5.1. Ίδια βάρη
(1) Το ίδιο βάρος της κατασκευής προσδιορίζεται κατά DIN 1055. Επίσης πρέπει να λαμβάνονται υπόψη τα βάρη των ηλεκτρικών καλωδίων και των μικροσυνδέσμων, π.χ. στις ενώσεις, με κατάλληλες προσαυξήσεις.
(2) Με την προϋπόθεση ότι δεν θα προκύψουν δυσμενέστερα φορτία από τις πραγματικές διαστάσεις και τα φορτία εφαρμογής, ισχύουν οι ακόλουθες τιμές:
α) για πινακίδες
| • | ύψος τεκμαρτής επιφανείας h = 4,00 m |
- οπισθοανακλαστικές πινακίδες g = 0,2 kN/m2
- εξωτερικά φωτιζόμενες πινακίδες g = 0,2 kN/m2
- εσωτερικά φωτιζόμενες πινακίδες g = 0,5 kN/m2
β) για πινακίδες μεταβλητής ένδειξης
| • | ύψος τεκμαρτής επιφανείας h = 1,5 m |
| • | ισοδύναμο φορτίο g = 1,0 kN/m2 |
(3) Τα υπόψη ισοδύναμα φορτία περιλαμβάνουν τα φορτία των κατά περίπτωση διατάξεων στερέωσης πινακίδων /σηματοδοτών.
(4) Η τεκμαρτή επιφάνεια ορίζεται ως συνεχής ζώνη υπεράνω του σταθεροποιημένου οδοστρώματος (βλέπε σχήματα 6.5.1.(4)α και β). Απόκλιση από τον κανόνα αυτό θα υπάρχει όταν η θεώρηση φόρτισης τμήματος της τεκμαρτής επιφανείας δίνει δυσμενέστερα αποτελέσματα σε συγκεκριμένους ελέγχους. Τέτοια περίπτωση θα ήταν η θεώρηση φόρτισης μόνο του ενός προβόλου σε γέφυρες σήμανσης μορφής Τ.
(5) Η οριζόντια και η κατακόρυφη διάταξη των πινακίδων / σηματοδοτών θα καθορίζεται στη μελέτη.

Σχήμα 6.5.1.(4)α

Σχήμα 6.5.1.(4)β
5.2. Φορτία ανέμου
(1) Εφόσον με βάση τις πραγματικές διαστάσεις δεν προκύπτουν μεγαλύτερες καταπονήσεις, θα ισχύουν τα φορτία που προκύπτουν από τις τεκμαρτές επιφάνειες, όπως αυτές προσδιορίζονται στα εδάφια (2) και (4) της παραπάνω παραγράφου 5.1.
(2) Θα λαμβάνεται υπόψη οριζόντια ανεμοπίεση w = 1,50 kN/m2 κάθετα προς την προσβαλλόμενη επιφάνεια. Στην τιμή αυτή συμπεριλαμβάνεται ο αεροδυναμικός συντελεστής cf.
(3) Σε πυκνοδομημένες περιοχές εντός πόλεων είναι δυνατή η μείωση της τιμής w κατά 20% ύστερα από τη σύμφωνη γνώμη του Κυρίου του Έργου.
(4) Ως προσβαλλόμενη από τον άνεμο επιφάνεια για το στατικό υπολογισμό λαμβάνεται η προσβαλλόμενη επιφάνεια της κατασκευής στην εκάστοτε κατεύθυνση του ανέμου, καθώς και οι τεκμαρτές επιφάνειες οι καθοριζόμενες στην παράγραφο 5.1. Οι τεκμαρτές επιφάνειες πρέπει να θεωρούνται με τέτοιο τρόπο ώστε να προκύπτει ανά περίπτωση ελέγχου η δυσμενέστερη καταπόνηση. Τα τμήματα της κατασκευής που βρίσκονται σε υπήνεμα σημεία θεωρείται ότι δεν φορτίζονται από άνεμο.
(5) Για τη διαστασιολόγηση των διατάξεων στερέωσης πρέπει να λαμβάνεται υπόψη ανεμοπίεση ανομοιόμορφα κατανεμημένη επί της επιφανείας που καθορίζεται στην παράγραφο 5.1. Γι αυτό η μικρότερη τιμή της ανεμοπίεσης πρέπει να λαμβάνεται ίση με το ήμισυ της μέγιστης τιμής, έτσι ώστε να προκύπτει η δυσμενέστερη καταπόνηση για τις διατάξεις στερέωσης.
(6) Παράλληλα προς το επίπεδο των πινακίδων, στον άξονα του ζυγώματος, θα λαμβάνονται υπόψη κατά τη φόρτιση λόγω ανεμοπίεσης, εκτός των δυνάμεων που ασκούνται στα προσήνεμα μέλη του φορέα, και δυνάμεις τριβής όπως παρακάτω:
W1 = 12 kN για βατές (με διάδρομο επιθεώρησης) γέφυρες σήμανσης
W2 = 8 kN για μη βατές γέφυρες σήμανσης
Το ισοδύναμο αυτό φορτίο ανέμου επιτρέπεται να υποδιπλασιάζεται για γέφυρες σήμανσης με μονοπροέχοντα πρόβολο.
(7) Για τον επανέλεγχο τυχόν υφισταμένων δικτυωτών κατασκευών θα λαμβάνονται υπόψη οι διατάξεις του ENV 1991,Μέρη 2-4 (EC 1).
5.3. Φορτίο χιονιού
Το φορτίο χιονιού υπολογίζεται σύμφωνα με το DIN 1055, μέρος 5. Συνιστάται να λαμβάνεται υπόψη ομοιόμορφα κατανεμημένο φορτίο χιονιού 0,75 kN/m2. Σημειώνεται ότι το φορτίο χιονιού λαμβάνεται υπόψη και στην οριζόντια προβολή επιφανειών με κλίση < 45°.
5.4. Θερμοκρασιακή μεταβολή
Θα λαμβάνεται υπόψη ομοιόμορφη μεταβολή της θερμοκρασίας ± 35 °C.
5.5. Ισοδύναμα φορτία ατόμων και υλικών
Ως ισοδύναμα φορτία ατόμων (τεχνίτες) και υλικών λαμβάνονται 2 μοναχικά φορτία, 1,50 kN το καθένα, σε απόσταση 1,0 m μεταξύ τους και εφαρμόζονται στη στατικά δυσμενέστερη θέση.
5.6. Οριζόντια ώθηση κιγκλιδωμάτων
Θα λαμβάνεται υπόψη οριζόντια ώθηση 0,50 kN/m με κατεύθυνση προς τα μέσα ή έξω στο ύψος του χειρολισθείρα.
5.7. Πρόσκρουση οχημάτων
(1) Για γέφυρες σήμανσης σε περιοχές με επιτρεπομένη ταχύτητα VΕΠΙΤΡ >50 Km/h και σε ό,τι αφορά την πρόσκρουση οχημάτων θα λαμβάνονται υπόψη τα παρακάτω:
α) Εάν ο ορθοστάτης της γέφυρας σήμανσης βρίσκεται πίσω από στηθαίο ασφαλείας από σκυρόδεμα (ελάχιστο μήκος 20 m) ή πίσω από ηχοπροστατευτικό πέτασμα, δεν απαιτείται κανένα περαιτέρω μέτρο (βλέπε σχήματα 6.5.7.(1).α)1 και α)2).
β) Εάν η απόσταση μεταξύ της εμπρόσθιας όψης του ορθοστάτη και του χαλύβδινου στηθαίου ασφαλείας είναι μεγαλύτερη από 1.50 m, δεν απαιτείται η κατασκευή βάθρου από σκυρόδεμα. Επί του ορθοστάτη εφαρμόζεται στη στάθμη της κορυφής του στηθαίου ασφαλείας ισοδύναμο φορτίο πρόσκρουσης ίσο με 100 kN, χωριστά στο επίπεδο του πλαισίου και κάθετα σε αυτό (βλέπε σχήμα 6.5.7.(1).β).
γ) Εάν η απόσταση μεταξύ της εμπρόσθιας όψης του ορθοστάτη και του χαλύβδινου στηθαίου ασφαλείας είναι μεταξύ 1.00 m και 1.50 m, πρέπει να προβλέπεται βάθρο σκυροδέματος με τις ακόλουθες διαστάσεις:
| • | Ύψος ανάλογο της άνω παρειάς του στηθαίου ασφαλείας (0.75 m) |
| • | Πλάτος τουλάχιστον ίσο με 0.80 m και μήκος τουλάχιστον 1.00 m |
| • | Περιθώριο γύρω από την πλάκα έδρασης του ορθοστάτη τουλάχιστον 15 cm |
| • | Επί του βάθρου, στο ύψος της άνω παρειάς του στηθαίου (0.75 m), θα επιβάλλεται ισοδύναμο φορτίο κρούσης ίσο με 200 kN, χωριστά στο επίπεδο του πλαισίου και κάθετα σε αυτό (βλέπε σχήματα 6.5.7.(1).γ)1 και γ)2) |
| • | Οι μετωπικές επιφάνειες του βάθρου θα στρογγυλεύονται |
δ) Εάν η απόσταση μεταξύ της εμπρόσθιας όψης του ορθοστάτη και του χαλύβδινου στηθαίου ασφαλείας είναι μικρότερη από 1,00 m, πρέπει τότε το βάθρο να διαταχθεί σύμφωνα με το DIN 1072 (Δεκέμβριος 1985), παράγραφος 5.3, Υποσημείωση 5 (ή την παράγραφο 5.3 του κεφαλαίου 2 φορτία υπολογισμού) (βλέπε σχήματα 6.5.7.(1).δ)1, δ)2, για την περίπτωση μεταλλικών στηθαίων και δ)3, δ)4 για την περίπτωση στηθαίων από σκυρόδεμα).
(2) Για γέφυρες σήμανσης σε περιοχές με επιτρεπομένη ταχύτητα VΕΠΙΤΡ ≤ 50 km/h δεν απαιτείται καμία προστατευτική διάταξη. Σε αυτή την περίπτωση θα πρέπει να λαμβάνεται υπόψη ισοδύναμο φορτίο πρόσκρουσης στον ορθοστάτη ίσο με 100 kN και σε ύψος 0.75 m πάνω από την επιφάνεια κύλισης, στο επίπεδο του πλαισίου η κάθετα σε αυτό (βλέπε σχήμα 6.5.7.(2)).
5.8. Φορτία συναρμολόγησης
Θα λαμβάνονται υπόψη φορτία τα οποία επιβάλλονται κατά τη συναρμολόγηση, ανάλογα με τα ακολουθούμενα στάδια.
5.9. Σεισμικά φορτία
Ο έλεγχος για σεισμική φόρτιση είναι απαραίτητος όταν το φορτίο ανέμου 1,5 kN/m2 εφαρμόζεται σε επιφάνεια ≤ 5 m2.

Σχήμα 6.5.7.(1).α)1

Σχήμα 6.5.7.(1).α)2

Σχήμα 6.5.7.(1).β

Σχήμα 6.5.7.(1).γ)1

Σχήμα 6.5.7.(1).γ)2

Σχήμα 6.5.7.(1).δ)1

Σχήμα 6.5.7.(1).δ)2

Σχήμα 6.5.7.(1).δ)3

Σχήμα 6.5.7.(1).δ)4

Σχήμα 6.5.7.(2)
6. Διαστασιολόγηση - Έλεγχοι
6.1. Γενικά
(1) Θα ελέγχονται:
| • | Η κύρια φέρουσα κατασκευή |
| • | Οι διατάξεις στερέωσης πινακίδων / σηματοδοτών και των άλλων πρόσθετων κατασκευών |
(2) Για τη διαστασιολόγηση και τους ελέγχους της κύριας φέρουσας κατασκευής από χάλυβα και των στοιχείων στερέωσης ισχύει το DIN 18800, Μέρη 1 έως 3, (έκδοση Νοεμβρίου 1990). Για κύριες φέρουσες κατασκευές από αλουμίνιο ισχύει το DIN 4113 Μέρος 1 και Ε DIN 4113 Μέρος 2 (Σχέδιο Μαρτίου 1993), σε συνδυασμό με το DIN 4114 και την οδηγία 012 Έλεγχος ύβωσης πλακών του Γερμανικού Ινστιτούτου Σκυροδέματος (DafStb Ri 012). Για τον έλεγχο κόπωσης κατά τη λειτουργία των αγκυρίων και των στοιχείων σύνδεσης, ισχύει η παράγραφος 6.6.7. του παρόντος. Για τους ελέγχους οπλισμένου σκυροδέματος ισχύει το DIN 1045/1988.
(3) Για τους ελέγχους του εδάφους, βάθος θεμελίωσης κ.λ.π., ισχύει το DIN 1054.
(4) Για τους συνδυασμούς δράσεων με πλήρες φορτίο ανέμου επιτρέπεται να λαμβάνεται υπόψη το μισό φορτίο χιονιού. Για τους συνδυασμούς δράσεων με πλήρες φορτίο χιονιού, αρκεί να ληφθούν υπόψη τα μισά κινητά φορτία της παραγράφου 5.5 του παρόντος.
(5) Οι δράσεις των ισοδυνάμων φορτίων πρόσκρουσης πρέπει να ακολουθούνται ως τα θεμέλια. Έλεγχοι στη στάθμη θεμελίωσης με αυτές δεν απαιτούνται. Αυτό σημαίνει ότι ο τυχηματικός συνδυασμός φορτίσεων που περιλαμβάνει και το φορτίο πρόσκρουσης θα χρησιμοποιείται κατά τον προσδιορισμό του οπλισμού των θεμελίων και τον έλεγχο της επάρκειας της διατομής του βάθρου από σκυρόδεμα, εφόσον αυτό υπάρχει.
(6) Οι κρίσιμοι συνδυασμοί δράσεων θα σχηματίζονται χωριστά και για τις δύο κατευθύνσεις:
| • | στο επίπεδο του πλαισίου και |
| • | κάθετα στο επίπεδο του πλαισίου |
6.2. Έλεγχος οριακής κατάστασης αστοχίας σε μέλη από χάλυβα
Για τον υπολογισμό των φορτίων διατομής από τα αναφερόμενα στην παράγραφο 5 φορτία ισχύει ο ακόλουθος διαχωρισμός:
α) Μόνιμες δράσεις (Μόνιμα φορτία)
Ίδια βάρη παράγραφος 5.1
β) Μεταβλητές δράσεις (Μεταβλητά φορτία)
Φορτία ανέμου παράγραφος 5.2
Φορτία χιονιού παράγραφος 5.3
Θερμοκρασιακές μεταβολές παράγραφος 5.4
Ισοδύναμα φορτία ατόμων και υλικών παράγραφος 5.5
Οριζόντια ώθηση κιγκλιδωμάτων παράγραφος 5.6.
Φορτία συναρμολόγησης παράγραφος 5.8
γ) Τυχηματικές δράσεις (Εκτάκτως δρώντα φορτία)
Πρόσκρουση οχημάτων παράγραφος 5.7
Σεισμικά φορτία παράγραφος 5.9
6.3. Έλεγχος οριακής κατάστασης αστοχίας σε μέλη από αλουμίνιο
(1) Για τους ελέγχους ισχύει ο παρακάτω διαχωρισμός των φορτίων:
α) Κύρια φορτία (Η)
Ίδια βάρη παράγραφος 5.1
Φορτία ανέμου παράγραφος 5.2
Οριζόντια ώθηση κιγκλιδωμάτων παράγραφος 5.6
Φορτία συναρμολόγησης παράγραφος 5.8
β) Πρόσθετα φορτία (Ζ)
Φορτία χιονιού παράγραφος 5.3
Θερμοκρασιακές μεταβολές παράγραφος 5.4
Ισοδύναμα φορτία ατόμων και υλικών παράγραφος 5.5
γ) Εκτάκτως δρώντα φορτία (S)
Πρόσκρουση οχημάτων παράγραφος 5.7
Σεισμικά φορτία παράγραφος 5.9
(2) Τα ισοδύναμα φορτία ατόμων και υλικών θα θεωρούνται κύρια φορτία κατά τη διαστασιολόγηση των διαδρόμων επίσκεψης.
(3) Τα κύρια φορτία σχηματίζουν κατά το δυσμενέστερο συνδυασμό τους τη φόρτιση Η, τα κύρια και τα πρόσθετα κατά το δυσμενέστερο συνδυασμό τους επίσης σχηματίζουν τη φόρτιση HZ.
(4) Τα εκτάκτως δρώντα φορτία σχηματίζουν μαζί με τα δυσμενώς δρώντα κύρια φορτία τη φόρτιση HS. Συντελεστής ασφαλείας για την περίπτωση αυτής της φόρτισης γ=1.00.
(5) Σε έλεγχο του φορέα σύμφωνα με τη θεωρία 2ης τάξεως, θα γίνεται παραδοχή προϋπαρχουσών παραμορφώσεως που αντιστοιχούν στην παραμορφωμένη μορφή της χαμηλότερης ιδιοτιμής. Το μέγεθος της εκτροπής στην κεφαλή του στύλου καθορίζεται κατά τον έλεγχο σε hS / 200.
6.4. Έλεγχοι λειτουργικότητας
(1) Υπό τα φορτία λειτουργίας οι παραμορφώσεις του φέροντα οργανισμού της γέφυρας δεν πρέπει να υπερβαίνουν τα ακόλουθα όρια:
| • | Κεφαλή ορθοστάτη hS / 150 (στο επίπεδο και κάθετα προς το επίπεδο του πλαισίου) |
| • | Ζύγωμα, στην κατακόρυφη διεύθυνση LR/200 |
| • | Ζύγωμα, στην οριζόντια διεύθυνση LR/200 (χωρίς να ληφθεί υπόψη η ταυτόχρονη παραμόρφωση του ορθοστάτη) |
| • | Πρόβολος, στην κατακόρυφη διεύθυνση LK /200 |
| • | Πρόβολος, στην οριζόντια διεύθυνση LK /75 (χωρίς να ληφθεί υπόψη η ταυτόχρονη παραμόρφωση του ορθοστάτη) |
(2) Διευκρινίζεται ότι hS είναι το θεωρητικό ύψος του ορθοστάτη, LR το θεωρητικό μήκος του ζυγώματος και LK το θεωρητικό μήκος του προβόλου (βλέπε σχήματα Σχήμα 6.5.1.(4)α και β).
(3) Προεντεταμένες ενώσεις δεν επιτρέπεται να ανοίγουν υπό τις δράσεις που αναφέρονται στις παραγράφους 5.1, 5.2 και 5.3 του παρόντος.
(4) Εάν ο έλεγχος φορέων από χάλυβα σε οριακή κατάσταση αστοχίας γίνεται με τις μεθόδους ελαστική / πλαστική ή πλαστική / πλαστική, πρέπει επιπρόσθετα να ελέγχεται υπό φορτία λειτουργίας η είσοδος στην περιοχή της διαρροής.
6.5. Υπερύψωση
Το βέλος κάμψης του ζυγώματος ή του προβόλου της γέφυρας σήμανσης υπό τα μόνιμα φορτία της παραγράφου 5.1, θα πρέπει να αναιρείται με κατάλληλη υπερύψωση (αρνητικό βέλος). Θα πρέπει να εφαρμόζεται μία μόνιμη υπερύψωση ίση με L/250.
6.6. Έλεγχος κόπωσης κατά τη λειτουργία
Για τα αγκύρια και τα μέσα σύνδεσης απαιτείται ο έλεγχος κόπωσης κατά τη λειτουργία. Για τον υπολογισμό του Δσ θα λαμβάνεται υπόψη το 30% των δυσμενέστερων μεγίστων φορτίων ανέμου. Ο αριθμός κύκλων φόρτισης καθορίζεται σε n = 1.5 x 107. Ο έλεγχος γίνεται σύμφωνα με το DIN V ENV 1993, Μέρος 1-1 (EC-3). Οι τιμές των επιμέρους συντελεστών ασφάλειας για τη φόρτιση κόπωσης είναι γFF = 1.00 και για την αντοχή σε κόπωση επίσης ΥΜF = .00.
6.7. Έλεγχος έναντι ανατροπής
Για τον έλεγχο έναντι ανατροπής πρέπει να ακολουθείται το DIN 1072/1985, παράγραφος 2 (ή η παράγραφος 6.2 του κεφαλαίου 2 φορτία υπολογισμού).
6.8. Τάσεις εδάφους
Ισχύει το DIN 1054. Τονίζεται ότι δεν επιτρέπεται αποκόλληση του θεμελίου (χαίνων αρμός) με εφαρμογή φορτίου ίσου με το μισό του ήμισυ της ανεμοπίεσης. (Επιτρέπονται μόνο θλιπτικές τάσεις).
7. Συντήρηση - Διάρκεια ζωής - Κόστος κατασκευής
(1) Και για τις γέφυρες σήμανσης θα πρέπει να τηρείται βιβλίο συντήρησης με βάση το DIN 1076, που θα χρησιμοποιείται κατά τους ελέγχους της κατασκευής.
(2) Κατά τη διάρκεια των τακτικών επιθεωρήσεων θα εξετάζεται αν τα στοιχεία αγκύρωσης, σύνδεσης (κοχλίες) κ.λ.π., έχουν χαλαρώσει ή αν έχουν εμφανισθεί φθορές από διάβρωση. Υπενθυμίζεται ότι η έδραση των γεφυρών σήμανσης βρίσκεται πολύ κοντά (min 0,25 m) στην επιφάνεια του εδάφους και εκτίθεται σε μόνιμη βάση σε υγρασία και κατά συνέπεια σε διάβρωση.
(3) Οι γέφυρες σήμανσης από κράματα αλουμινίου εμφανίζουν μεγάλη ανθεκτικότητα σε διάβρωση και απαιτούν μικρότερη συντήρηση σε σχέση με τις χαλύβδινες, είναι όμως ευαίσθητες σε χτυπήματα. Η αναμενόμενη διάρκεια ζωής τους είναι περίπου 30 έτη.
(4) Οι γέφυρες σήμανσης από χάλυβα απαιτούν εξυγίανση κάθε 10 περίπου χρόνια. Εξυγίανση σημαίνει πλήρη αποσυναρμολόγηση των πινακίδων, εμπεριστατωμένο καθαρισμό των επιφανειών της γέφυρας και στη συνέχεια προστατευτική επίστρωση βαφής με χρώμα υψηλής ποιότητας. Τονίζεται όμως ότι από πλευράς κόστους είναι σαφής η υπεροχή τους έναντι των γεφυρών από αλουμίνιο σε αναλογία 1:3.
8. Κανονισμοί - Προδιαγραφές - Οδηγίες
8.1. Γερμανικοί Κανονισμοί 1)
DIN 267 Teil 3 Mechanische Verbinbungselemente; Technische Lieferbedingungen; Festigkeitsklassen fuer Schrauben aus unlegierten oder legierten Staehlen
DIN EN 288 Teil 2 Anforderung und Anerkennung von Schweissverfahren fuer metalische Werkstoffe; Schweissverfahren fuer metalische Werkstoffe; Schweissanweisung fur das Lichtbogenschweissen
DIN 1045 Beton und Stahlbeton; Bemessung und Ausfuhrung
DIN 1054 Baugrund; Zulaessige Belastungen des Baugrunds
DIN 1055 Teil 1 Lastannahmen fur Bauten; Lagerstoffe, Baustoffe und Bauteile, Eigenlasten und Reibungswinkel
DIN 1055 Teil 4 Lastannahmen fur Bauten; Verkehrslasten, Windlasten bei nicht Schwingugsanfaelligen Bauwerken
DIN 1055 Teil 5 Lastannahmen fur Bauten; Verkehrslaten, Schneelast und Eislast
DIN 1072 Strassen - und Wegbruecken; Lastannahmen
DIN 1076 Ingenieurbauwerke im Zuge von Strassen und Wegen; Ueberwachung und Pruefung
DIN 1725 Teil 1 Aluminiumlegierungen; Knetlegierungen
ENV 1991 Teil 2-4 (EC1) Basis of Design and Actions on Structures; Wind Actions
DIN-V ENV 1993 Bemessung und Konstruktion von Stahlbauten; Allgemeine
Teil 1-1 (EC 3) Bemessungsregeln, Bemessungsregeln fuer den Hochbau
DIN ISO 3506 Verbindungselemente aus nichtrostenden Staehlen; Technishe Lieferbedingungen
DIN 4113 Teil 1 Aluminiumkonstruktionen unter vorwiegend ruhender Belastung, Berechnung und bauliche Durchbildung
E DIN 4113 Teil 2 Aluminiumkonstruktionen unter vorwiegend ruhender (Entwurf Maerz 1993) elastung; Berechnung, bauliche Durchbildung und Herstellung geschweisster Aluminiumkonstruktionen
DIN 4114 Stahlbau; Stabillitaetsfaelle (Knickung, Kippung, Beulung), Berechnungsgrundlagen
DIN 8565 Korrosionsschutz von Stahlbauten durch thermisches Spritzen von Zink und Aluminium; Allgemeine Grundsaetze
DIN EN 10025 Warmgewalzte Erzeugnisse aus unlegierten Baustaehlen; Technische Lieferbedingungen
DIN EN 10204 Metallische Erzeugnisse; Arten von Pruefbescheinigungen
DIN 18800 Teil 1 Stahlbauten; Bemessung und Konstruktion (November 1990)
DIN 18800 Teil 2 Stahlbauten; Stabillitaetsfaelle, Knicken von Staeben und Stabwerken (November 1990)
DIN 18800 Teil 3 Stahlbauten; Stabillitaetsfaelle, Platten beulen (November 1990)
DIN 18800 Teil 7 Stahlbauten; Herstellen; Eignungsnachweise zum Schweissen (November 1990)
DIN 24 537 Gitterroste; Masse, Bezeichnungen, Belastung
DIN 50049 Metallische Erzeugnisse; Arten von Pruefbescheinigungen
DIN 50976 Korrosionsschutz; Feuerverzinken von Einzelteilen, Stueckverzinken; aufgebrachte Ueberzuege; Anforderungen und Pruefungen
8.2. Λοιπές Γερμανικές προδιαγραφές και οδηγίες
DASt Ri 012 5) Beulsicherheitsnachweis fuer Platten
RAS-Q 2) 3) Richtlinien fuer die Anlage von Strassen; Teil; Querschnitte
RPS - Bru 2) Richtlinien fuer die bauliche Durchbildung und Ausstatung von Bruecken zur Ueberwachung, Pruefung und Erhaltung
RKK 2 Richtlinien fuer Kontrollpruenfungen von Korrosionsschutzarbeiten
RPS 2) 3) Richtlinien fuer passive Schutzeinrichtungen an Strassen
- 4) Richtlinien zum Schweissen von tragenden Bauteilen aus Aluminium
ZTV-K 2) Zusaetzliche Technische Vertragsbedingungen fuer Kunstbauten
ZTV-KOR 2) Zusaetzliche Technische Vertragsbedingungen fuer Kunstbauten und Richtlinien fuer den Korrosionsschutz von Stahlbauten
ZTV-Lsw 2) 3) Zusaetzliche Technische Vertragsbedingungen und Richtlinien fuer die Ausfuehrung von Laermschutzwaenden an Strassen
ZTV-SA 2) 3) Zusaetzliche Technische Vertragsbedingungen und Richtlinien fuer die Sicherung von Arbeitsstellen an Strassen
8.3. Εκδοτικές πηγές
1. Beuth Verlag GmbH, Berlin
2. Verkehrsblatt-Verlag, Dortmund
3. Forschungsgesellschaft fuer Strassen - und Verkehswesen, Koeln
4. Deutsches Insitut fuer Bautechnik, Berlin
5. Stahlbau - Verlags GmbH, Koeln
8.4. Ελληνικές προδιαγραφές και οδηγίες
Υπουργείο Περιβάλλοντος, Χωροταξίας και Δημοσίων Έργων Προδιαγραφές & Οδηγίες Κατακόρυφης Σήμανσης Αυτοκινητοδρόμων
ΕΓΝΑΤΙΑ ΟΔΟΣ Ανώνυμη Εταιρεία Οδηγίες Σύνταξης Μελετών Έργων Οδοποιίας.
ΕΥΔΕ / ΠΑΘΕ Κανονισμός Μελετών Ερευνών